Редуктор Ц2-650
Редуктор Ц2-650
Двоступінчасті редуктори Ц2-650 відносяться до механізмів з циліндричним типом передач і призначені для використання переважно у вантажних кранах.
Обладнання серії Ц2-650 також має низку умов для їх застосування:
- навантаження може здійснюватися зі змінними навантаженнями або в постійному режимі,
- швидкість обертання на вході не може бути вищою 1500 об/хв і температурою довкілля від -40 до +50 градусів Цельсія,
- кліматичне виконання У, Т, УХЛ та О за ГОСТ-15050,
- температура довкілля від -40 °С до 50 °С.
Переваги роботи з компанією «Промпривод»:
- Висока якість виробів.
- Ви отримаєте гарантію від виробника на 12 місяців.
- Кваліфікований персонал.
- Весь товар перед відправленням проходить перевірку на плавність ходу, шум, вібрацію.
- Надсилання в обумовлені терміни.
- Доставка по всій Україні.
Розміри циліндричного кранового редуктора Ц2-650:

Варіанти складання редуктора Ц2-650:

Технічні характеристики редуктора Ц2-650:
| Передавальне число | 8 | 10 | 12.5 | 16 | 20 | 25 | 31.5 | 40 | 50 | ||
| Момент крутіння на виході, Нм | Режим роботи | Безперервний Б (ПВ=100%) | 15500 | 14500 | 16000 | 15000 | |||||
| Дуже важкий ДВ (ПВ=60%) | – | 17000 | 18500 | 18000 | |||||||
| Важкий В (ПВ=40%) | 18000 | 14500 | 15000 | 16000 | 15000 | ||||||
| Середній С (ПВ=25%) | 26500 | 25000 | 32500 | 33500 | |||||||
| Легкий Л (ПВ=15%) | 40000 | 43700 | 57500 | ||||||||
| Швидкість обертання швидкохідного валу, об/хв | 1500 | ||||||||||
| Навантаження на вхідному валу, Н | Режим роботи | Безперервний Б (ПВ=100%) | 5500 | 4700 | 3300 | 3100 | 2800 | 2400 | 2100 | ||
| Важкий В (ПВ=40%) | 5900 | 4700 | 3400 | 2800 | 2400 | 2100 | |||||
| Середній С (ПВ=25%) | 6250 | 5600 | 3600 | ||||||||
| Легкий Л (ПВ=15%) | 7800 | 7000 | 6500 | 5700 | 5000 | 4500 | 4000 | ||||
| Навантаження на вихідному валу, Н | Режим роботи | Безперервний Б (ПВ=100%) | 30000 | ||||||||
| Дуже важкий ДВ (ПВ=60%) | 25000 | ||||||||||
| Важкий В (ПВ=40%) | 33500 | 30000 | |||||||||
| Середній С (ПВ=25%) | 40000 | 45000 | |||||||||
| Легкий Л (ПВ=15%) | 50000 | 52000 | 57000 | ||||||||
| Вага пристрою, кг | 1170 | ||||||||||
| AWT | Awб | A | A1 | B | H | H1 | h | h1 | L | L1 | L2 | L3 | L4 | L5 | d | n |
| 400 | 250 | 780 | 470 | 560 | 695 | 315 | 36 | 95 | 1270 | 910 | 190 | 443 | 480 | 550 | 39 | 8 |
Розміри валів конічної форми кранового циліндричного редуктора Ц2-1000:

| Вал, розташований на вході | Вал, розташований на виході | ||||||||||
| d | d1 | l | l1 | b | t | d | d1 | l | l1 | b | t |
| 70 | М48×3 | 140 | 105 | 18 | 36.38 | 140 | М100×4 | 250 | 200 | 32 | 72 |
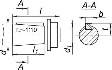
Розміри валів циліндричної форми кранового редуктора Ц2-650:

| Вал, розташований на виході | ||||||||
| d | d1 | d2 | l | l1 | b | t | n | L |
| 140s6 | 80 | М12 | 200 | 22 | 36 | 152 | 3 | 510 |
Таблиця розмірів валу, розташованого на виході, що має вигляд зубчастої напівмуфти редуктора Ц2-1000:

| b | d | d1 | d2 | L | l | l1 | Зачеплення | |
| m | z | |||||||
| 50 | 420 | 160F8 | 230 | 410 | 15 | 70 | 10 | 40 |
Приклад умовного позначення при замовленні:

Редуктор Ц2-650
Відгуків про цей товар ще не було.
Немає відгуків про цей товар, станьте першим, залиште свій відгук.
Немає питань про даний товар, станьте першим і задайте своє питання.