Редуктор Ц2-650-16
Редуктор Ц2-650-16
Редуктор горизонтальний Ц2-650-16 — це пристрій із циліндричним типом передавання, який застосовується в багатьох галузях машинобудування для зміни крутного моменту та швидкості обертання в різних приводах.
Редуктори Ц2-650-16 застосовують зі змінними навантаженнями, але є можливість роботи в режимі 24 години. Швидкість обертання вихідного вала становить від 600 до 1500об./хв. Вали обертаються в будь-який бік. Редуктори можуть експлуатуватися в сухих, помірних (У), а також тропічних (Т) кліматичних умовах (ГОСТ 15150-69), за температури від -40 до +50 градусів Цельсія. Засіб їх застосування не має бути агресивною та вибухонебезпечною.
Корпус виготовлений із чавуну у формі моноблока.
Переваги роботи з нами:
1.Висока якість виробів.
2. Ви отримуєте гарантію від виробника на 36 місяців.
3. Кваліфікований персонал.
4. Весь товар перед відправленням проходить перевірку на плавність ходу, шум, вібрацію.
5. Перевірка на герметизацію корпусу.
6. Відсилання в обмовлені терміни.
7. Доставка по всій Україні.
Варіанти складання редуктора Ц2-650-16:

Технічні характеристики редуктора Ц2-650-16:
| Передатне число | 16 | ||
| Момент кручення на виході, Нм | Режим роботи | Безперервний Н (ПВ=100%) | 14500 |
| Дуже важкий ВТ (ПВ=60%) | 18500 | ||
| Важкий Т (ПВ=40%) | 15000 | ||
| Середній С (ПВ=25%) | 32500 | ||
| Легкий Л (ПВ=15%) | 43700 | ||
| Швидкість радання швидкохідного вала, об/хв | 1500 | ||
| >Навантаження на вхідний валу, Н | Режим роботи | Безперервний Н (ПВ=100%) | 3300 |
| Важкий Т (ПВ=40%) | 3400 | ||
| Середній С (ПВ=25%) | 5600 | ||
| Легкий Л (ПВ=15%) | 6500 | ||
| Навантаження на вихідний валу, Н | Режим роботи | Безперервний Н (ПВ=100%) | 30000 |
| Дуже важкий ВТ (ПВ=60%) | 25000 | ||
| Важкий Т (ПВ=40%) | 30000 | ||
| Середній С (ПВ=25%) | 45000 | ||
| Легкий Л (ПВ=15%) | 52000 | ||
| Вага пристрою, кг | 1170 | ||
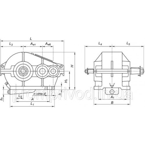
Розміри циліндричного кранового редуктора Ц2-650-16:

| AWT | Awб | A | A1 | B | H | H1 | h | h1 | L | L1 | L2 | L3 | L4 | L5 | d | n |
| 400 | 250 | 780 | 470 | 560 | 695 | 315 | 36 | 95 | 1270 | 910 | 190 | 443 | 480 | 550 | 39 | 8 |
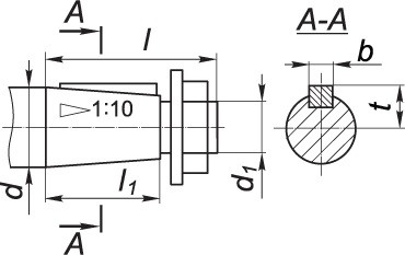
Розміри валів конічної форми циліндричного кранового редуктора Ц2-650-16:

| Вал, розташований на вході | Вал, розташований на виході | ||||||||||
| d | d1 | l | l1 | b | t | d | d1 | l | l1 | b | t |
| 70 | М48×3 | 140 | 105 | 18 | 36.38 | 140 | М100×4 | 250 | 200 | 32 | 72 |
Розміри валів циліндричної форми кранового редуктора Ц2-650-16:
| Вал, розташований на виході | ||||||||
| d | d1 | d2 | l | l1 | b | t | n | L |
| 140s6 | 80 | М12 | 200 | 22 | 36 | 152 | 3 | 510 |
Таблиця розмірів вала, розташованого на виході, що має вигляд зубчастої півмуфти редуктора Ц2-650-16:
| b | d | d1 | d2 | L | l | l1 | Зачеплення | |
| m | z | |||||||
| 50 | 420 | 160F8 | 230 | 410 | 15 | 70 | 10 | 40 |
Редуктор Ц2-650-16
Відгуків про цей товар ще не було.
Немає відгуків про цей товар, станьте першим, залиште свій відгук.
Немає питань про даний товар, станьте першим і задайте своє питання.