Редуктор Ц2-650-31,5
Редуктор Ц2-650-31,5
Горизонтальний редуктор Ц2-650-31,5 може бути частиною кранових, підіймальних, а також інших механізмів і знайшов своє застосування в багатьох машинобудівних галузях. Його використовують для зміни крутного моменту та швидкості обертання.
Редуктор Ц2-650-31,5 має циліндричний тип передавання й паралельне розташування осей. Вали обертаються в будь-якому напрямку. Навантаження на нього може бути постійним або змінним. Працює в запиленому, але неагресивному середовищі.
Заявляючи редуктори в компанії «Зевс», ви отримуєте низку переваг:
1.Висока якість виробів.
2. Ви отримуєте гарантію від виробника на 36 місяців.
3. Кваліфікований персонал.
4. Весь товар перед відправленням проходить перевірку на плавність ходу, шум, вібрацію.
5. Перевірка на герметизацію корпусу.
6. Відсилання в обмовлені терміни.
7. Доставка по всій Україні.
Варіанти складання редуктора Ц2-650-31,5:

Технічні характеристики редуктора Ц2-650-31,5:
| Передатне число | 31.5 | ||
| Момент кручення на виході, Нм | Режим роботи | Безперервний Н (ПВ=100%) | 16000 |
| Дуже важкий ВТ (ПВ=60%) | 18000 | ||
| Важкий Т (ПВ=40%) | 16000 | ||
| Середній С (ПВ=25%) | 33500 | ||
| Легкий Л (ПВ=15%) | 57500 | ||
| Швидкість радання швидкохідного вала, об/хв | 1500 | ||
| >Навантаження на вхідний валу, Н | Режим роботи | Безперервний Н (ПВ=100%) | 2800 |
| Важкий Т (ПВ=40%) | 2800 | ||
| Середній С (ПВ=25%) | 3600 | ||
| Легкий Л (ПВ=15%) | 5000 | ||
| Навантаження на вихідний валу, Н | Режим роботи | Безперервний Н (ПВ=100%) | 30000 |
| Дуже важкий ВТ (ПВ=60%) | 25000 | ||
| Важкий Т (ПВ=40%) | 30000 | ||
| Середній С (ПВ=25%) | 45000 | ||
| Легкий Л (ПВ=15%) | 57000 | ||
| Вага пристрою, кг | 1170 | ||
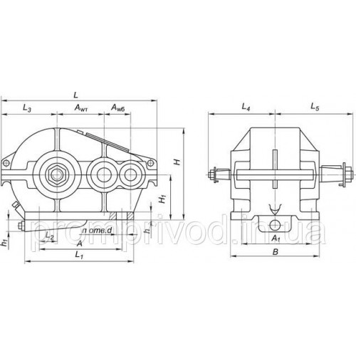
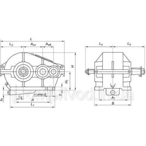
Розміри циліндричного кранового редуктора Ц2-650-31,5:

| AWT | Awб | A | A1 | B | H | H1 | h | h1 | L | L1 | L2 | L3 | L4 | L5 | d | n |
| 400 | 250 | 780 | 470 | 560 | 695 | 315 | 36 | 95 | 1270 | 910 | 190 | 443 | 480 | 550 | 39 | 8 |
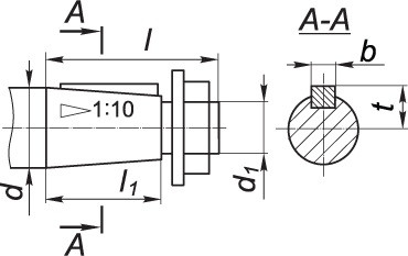
Розміри валів конічної форми циліндричного кранового редуктора Ц2-650-31,5:

| Вал, розташований на вході | Вал, розташований на виході | ||||||||||
| d | d1 | l | l1 | b | t | d | d1 | l | l1 | b | t |
| 70 | М48×3 | 140 | 105 | 18 | 36.38 | 140 | М100×4 | 250 | 200 | 32 | 72 |
Розміри валів циліндричної форми кранового редуктора Ц2-650-31,5:
| Вал, розташований на виході | ||||||||
| d | d1 | d2 | l | l1 | b | t | n | L |
| 140s6 | 80 | М12 | 200 | 22 | 36 | 152 | 3 | 510 |
Таблиця розмірів вала, розташованого на виході, що має вигляд зубчастої півмуфти редуктора Ц2-650-31,5:
| b | d | d1 | d2 | L | l | l1 | Зачеплення | |
| m | z | |||||||
| 50 | 420 | 160F8 | 230 | 410 | 15 | 70 | 10 | 40 |
Редуктор Ц2-650-31,5
Відгуків про цей товар ще не було.
Немає відгуків про цей товар, станьте першим, залиште свій відгук.
Немає питань про даний товар, станьте першим і задайте своє питання.