Редуктор Ц2-650-8
Редуктор Ц2-650-8
Циліндричний двоступеневий редуктор Ц2-650-8 використовують під час машинобудування в різних галузях. Його застосовують у пристроях кранів, транспортерів, підіймачів та інших механізмів. Цей редуктор має паралельне розташування осей, призначений для зміни крутного моменту та швидкості електродвигуна.
Редуктори Ц2-650-8 застосовують у слабо запиленому приміщенні або просто неба. Обертання валів можливе в різні боки. Швидкість обертання на вході не має бути більш ніж 1500 обертів за хвилину. Навантаження, що подається на редуктор, може бути різних типів. Кліматичне виконання У і Т згідно з ГОСТом 15150-69. Високий коефіцієнт корисної дії.
Переваги роботи з нами:
1.Висока якість виробів.
2. Ви отримуєте гарантію від виробника на 36 місяців.
3. Кваліфікований персонал.
4. Весь товар перед відправленням проходить перевірку на плавність ходу, шум, вібрацію.
5. Паспорт з усіма печатками ОТК
6. Відсилання в умовлені терміни.
7. Доставка по всій Україні.
8. За Харковом доставимо пристрої власним транспортом.
Варіанти складання редуктора Ц2-650-8:

Технічні характеристики редуктора Ц2-650-8:
| Передатне число | 8 | ||
| Момент кручення на виході, Нм | Режим роботи | Безперервний Н (ПВ=100%) | 15500 |
| Дуже важкий ВТ (ПВ=60%) | – | ||
| Важкий Т (ПВ=40%) | 18000 | ||
| Середній С (ПВ=25%) | 26500 | ||
| Легкий Л (ПВ=15%) | 40000 | ||
| Швидкість радання швидкохідного вала, об/хв | 1500 | ||
| >Навантаження на вхідний валу, Н | Режим роботи | Безперервний Н (ПВ=100%) | 5500 |
| Важкий Т (ПВ=40%) | 5900 | ||
| Середній С (ПВ=25%) | 6250 | ||
| Легкий Л (ПВ=15%) | 7800 | ||
| Навантаження на вихідний валу, Н | Режим роботи | Безперервний Н (ПВ=100%) | 30000 |
| Дуже важкий ВТ (ПВ=60%) | 25000 | ||
| Важкий Т (ПВ=40%) | 33500 | ||
| Середній С (ПВ=25%) | 40000 | ||
| Легкий Л (ПВ=15%) | 50000 | ||
| Вага пристрою, кг | 1170 | ||
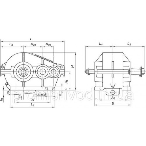
Розміри циліндричного кранового редуктора Ц2-650-8:

| AWT | Awб | A | A1 | B | H | H1 | h | h1 | L | L1 | L2 | L3 | L4 | L5 | d | n |
| 400 | 250 | 780 | 470 | 560 | 695 | 315 | 36 | 95 | 1270 | 910 | 190 | 443 | 480 | 550 | 39 | 8 |
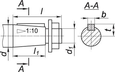
Розміри валів конічної форми циліндричного кранового редуктора Ц2-650-8:

| Вал, розташований на вході | Вал, розташований на виході | ||||||||||
| d | d1 | l | l1 | b | t | d | d1 | l | l1 | b | t |
| 70 | М48×3 | 140 | 105 | 18 | 36.38 | 140 | М100×4 | 250 | 200 | 32 | 72 |
Розміри валів циліндричної форми кранового редуктора Ц2-650-8:
| Вал, розташований на виході | ||||||||
| d | d1 | d2 | l | l1 | b | t | n | L |
| 140s6 | 80 | М12 | 200 | 22 | 36 | 152 | 3 | 510 |
Таблиця розмірів вала, розташованого на виході, що має вигляд зубчастої півмуфти редуктора Ц2-650-8:

| b | d | d1 | d2 | L | l | l1 | Зачеплення | |
| m | z | |||||||
| 50 | 420 | 160F8 | 230 | 410 | 15 | 70 | 10 | 40 |
Редуктор Ц2-650-8
Відгуків про цей товар ще не було.
Немає відгуків про цей товар, станьте першим, залиште свій відгук.
Немає питань про даний товар, станьте першим і задайте своє питання.