Редуктор Ц2-750
Редуктор Ц2-750
Редуктори Ц2-750 використовують у різних галузях машинобудування для зміни моменту, що крутить, і числа оборотів різних приводів. Дані пристрої є надійними та дуже простими у застосуванні.
Умови застосування мультиплікатора Ц2-750:
- Застосовують у запиленому приміщенні або на відкритому повітрі.
- Середовище їх застосування не повинно бути агресивним та вибухонебезпечним.
- Обертання валів можливе в різні боки.
- Редуктори працюють при змінних навантаженнях з періодичними зупинками, а також у режимі 24 години.
- Швидкість обертання на вході не повинна бути більшою, ніж 1500 об/хв, окружна швидкість зубчастих передач - не перевищувати 12 м/с.
- Дані редуктори продуктивно працюють як із прямим, так і з реверсивним навантаженням.
- Високий коефіцієнт корисної дії.
Переваги роботи з компанією «Промпривод»:
- Висока якість виробів.
- Ви отримаєте гарантію від виробника на 12 місяців.
- Кваліфікований персонал.
- Весь товар перед відправленням проходить перевірку на плавність ходу, шум, вібрацію.
- Надсилання в обумовлені терміни.
- Доставка по всій Україні.
Розміри циліндричного кранового редуктора Ц2-750:

Варіанти складання редуктора Ц2-750:

Технічні характеристики редуктора Ц2-750:
| Передавальне число | 8 | 10 | 12.5 | 16 | 20 | 25 | 31.5 | 40 | 50 | |||||||
| Момент крутіння на виході, Нм | Режим роботи | Безперервний Б (ПВ=100%) | 24300 | 22500 | 20600 | |||||||||||
| Дуже важкий ДВ (ПВ=60%) | – | 26500 | 27200 | 25000 | ||||||||||||
| Важкий В (ПВ=40%) | 30500 | 27200 | 25000 | |||||||||||||
| Середній С (ПВ=25%) | 43000 | 47500 | 53000 | |||||||||||||
| Легкий Л (ПВ=15%) | 58000 | 67000 | 73000 | |||||||||||||
| Швидкість обертання швидкохідного валу, об/хв | 1500 | |||||||||||||||
| Навантаження на вхідному валу, Н | Режим роботи | Безперервний Б (ПВ=100%) | 6800 | 6100 | 5300 | 4600 | 4100 | 3700 | 3300 | 2800 | 2500 | |||||
| Важкий В (ПВ=40%) | 7700 | 6900 | 5800 | 5100 | 4600 | 4100 | 3600 | 3100 | 3700 | |||||||
| Середній С (ПВ=25%) | 9100 | 8100 | 7300 | 6400 | 5700 | 5400 | 4800 | 4500 | 4000 | |||||||
| Легкий Л (ПВ=15%) | 10600 | 9500 | 8500 | 7500 | 6700 | 6400 | 5700 | 5300 | 4700 | |||||||
| Навантаження на вихідному валу, Н | Режим роботи | Безперервний Б (ПВ=100%) | 38900 | 37500 | 35800 | |||||||||||
| Дуже важкий ДВ (ПВ=60%) | 32000 | |||||||||||||||
| Важкий В (ПВ=40%) | 43600 | 41200 | 39500 | |||||||||||||
| Середній С (ПВ=25%) | 51800 | 54400 | 57500 | |||||||||||||
| Легкий Л (ПВ=15%) | 60200 | 64700 | 67500 | |||||||||||||
| Вага пристрою, кг | 1650 | |||||||||||||||
| AWT | Awб | A | A1 | B | H | H1 | h | h1 | L | L1 | L2 | L3 | L4 | L5 | d | n |
| 450 | 300 | 900 | 560 | 650 | 783 | 355 | 40 | 100 | 1455 | 1040 | 225 | 494 | 570 | 645 | 46 | 8 |
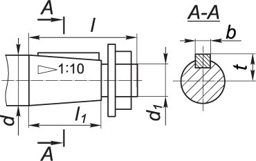
Розміри валів конічної форми кранового циліндричного редуктора Ц2-1000:

| Вал, розташований на вході | Вал, розташований на виході | ||||||||||
| d | d1 | l | l1 | b | t | d | d1 | l | l1 | b | t |
| 80 | М56×4 | 170 | 130 | 20 | 41.25 | 170 | М125×4 | 300 | 240 | 40 | 88 |
Розміри валів циліндричної форми кранового редуктора Ц2-750:

| Вал, розташований на виході | ||||||||
| d | d1 | d2 | l | l1 | b | t | n | L |
| 170s6 | 105 | М16 | 240 | 26 | 40 | 184 | 3 | 595 |
Таблиця розмірів валу, розташованого на виході, що має вигляд зубчастої напівмуфти редуктора Ц2-1000:

| b | d | d1 | d2 | L | l | l1 | Зачеплення | |
| m | z | |||||||
| 60 | 504 | 200F8 | 290 | 480 | 20 | 90 | 12 | 40 |
Приклад умовного позначення при замовленні:

Редуктор Ц2-750
Відгуків про цей товар ще не було.
Немає відгуків про цей товар, станьте першим, залиште свій відгук.
Немає питань про даний товар, станьте першим і задайте своє питання.