Редуктор Ц2-750-10
Редуктори Ц2-750-10
Редуктори двоступеневі Ц2-750-10 є горизонтальними пристроями з циліндричним типом передавання й паралельним розташуванням осей. Їх призначення змінювати крутний момент і кількість обертів приводів, які застосовуються в різних галузях машинобудування. Загалом матеріалом корпусу є чавун, але в рідкісних випадках може використовуватися й інший найбільш відповідний вимогам метал.
Основні умови роботи редуктора Ц2-750-10:
Працює у разі постійних і змінних навантажень.
Вали обертаються як в один, так і в інший бік із максимальною швидкістю 1500 обертів за хвилину.
Температура зовнішнього середовища від -40 C до 50 C,
Працює в запиленому, але неагресивному середовищі.
Наші фахівці проконсультують на будь-якому запиту, що цікавить Вас, та допоможуть оформити замовлення. Компанія Зевс надає гарантію виробника на 36 місяців. Кожен редуктор проходить перевірку перед відправленням на плавність ходу, шум і вібрацію. Відсилання відбувається в умовлені терміни. Доставка по всій Україні
Варіанти складання редуктора Ц2-750-10:

Технічні характеристики редуктора Ц2-750-10:
| Передатне число | 10 | |||
| Момент кручення на виході, Нм | Режим роботи | Безперервний Н (ПВ=100%) | 24300 | |
| Дуже важкий ВТ (ПВ=60%) |
| |||
| Важкий Т (ПВ=40%) | 30500 | |||
| Середній С (ПВ=25%) | 43000 | |||
| Легкий Л (ПВ=15%) | 58000 | |||
| Швидкість радання швидкохідного вала, об/хв | 1500 | |||
| Навантаження на вхідний валу, Н | Режим роботи | Безперервний Н (ПВ=100%) | 6100 | 5300 |
| Важкий Т (ПВ=40%) | 6900 | 5800 | ||
| Середній С (ПВ=25%) | 8100 | 7300 | ||
| Легкий Л (ПВ=15%) | 9500 | 8500 | ||
| Навантаження на вихідний валу, Н | Режим роботи | Безперервний Н (ПВ=100%) | 38900 | 37500 |
| Дуже важкий ВТ (ПВ=60%) | 32000 | |||
| Важкий Т (ПВ=40%) | 43600 | 41200 | ||
| Середній С (ПВ=25%) | 51800 | |||
| Легкий Л (ПВ=15%) | 60200 | |||
| Вага пристрою, кг | 1650 | |||
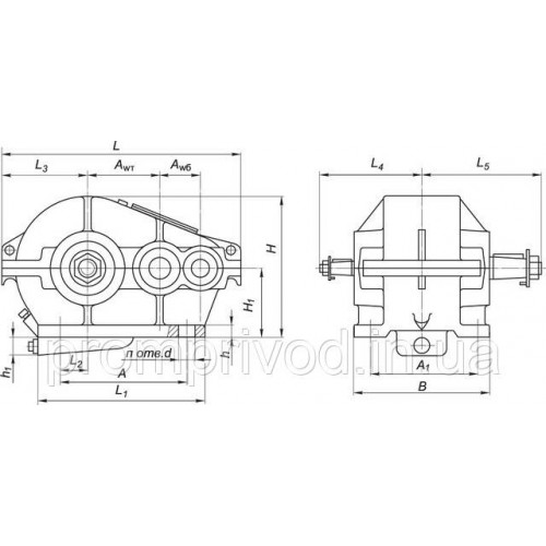
Розміри циліндричного кранового редуктора Ц2-750-10:

| AWT | Awб | A | A1 | B | H | H1 | h | h1 | L | L1 | L2 | L3 | L4 | L5 | d | n |
| 450 | 300 | 900 | 560 | 650 | 783 | 355 | 40 | 100 | 1455 | 1040 | 225 | 494 | 570 | 645 | 46 | 8 |
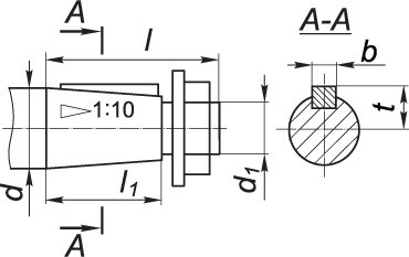
Розміри валів конічної форми циліндричного кранового редуктора Ц2-750-10:

| Вал, розташований на вході | Вал, розташований на виході | ||||||||||
| d | d1 | l | l1 | b | t | d | d1 | l | l1 | b | t |
| 80 | М56 4 | 170 | 130 | 20 | 41.25 | 170 | М125 4 | 300 | 240 | 40 | 88 |
Розміри валів циліндричної форми кранового редуктора Ц2-750-10:

| Вал, розташований на виході | ||||||||
| d | d1 | d2 | l | l1 | b | t | n | L |
| 170s6 | 105 | М16 | 240 | 26 | 40 | 184 | 3 | 595 |
Таблиця розмірів вала, розташованого на виході, що має вигляд зубчастої півмуфти редуктора Ц2-750-10:

| b | d | d1 | d2 | L | l | l1 | Зачеплення | |
| m | z | |||||||
| 60 | 504 | 200F8 | 290 | 480 | 20 | 90 | 12 | 40 |
Приклад умовного позначення редуктора Ц2-750-10 під час замовлення:

Редуктор Ц2-750-10
Відгуків про цей товар ще не було.
Немає відгуків про цей товар, станьте першим, залиште свій відгук.
Немає питань про даний товар, станьте першим і задайте своє питання.