Редуктор Ц2-750-16
Редуктор Ц2-750-16
Редукторами Ц2-750-16 називають двоступеневі горизонтальні пристрої, головним завданням яких є зміна крутного моменту та швидкості обертання в електродвигунах.
Ц2-750-16 широко застосовуються в галузі машинобудування. Їхня конструкція є дуже надійною і простою. Корпус редуктора може бути виготовлений із чавуну або іншого матеріалу.
Умови застосування редуктора Ц2-750-16:
• Застосовують у слабо запиленому приміщенні або просто неба.
• Засіб їх застосування не має бути агресивною та вибухонебезпечною.
• Обертання валів можливе в різні боки.
• Редуктори працюють у разі змінних навантажень із періодичними зупинками, а також у режимі 24 години.
• Швидкість обертання на вході не має бути більш ніж 1500 об/хв, окружна швидкість зубчастих передач не має перевищувати 12 м/с.
• Ці редуктори продуктивно працюють як із прямою, так і з реверсивним навантаженням.
Наші фахівці проконсультують на будь-якому запиту, що цікавить Вас, та допоможуть оформити замовлення. Компанія «Зевс» надає гарантію виробника на 36 місяців. Кожен редуктор проходить перевірку перед відправленням на плавність ходу, шум і вібрацію. Відсилання відбувається в умовлені терміни. Доставка по всій Україні
Варіанти складання редуктора Ц2-750-16:

Технічні характеристики редуктора Ц2-750-16:
| Передатне число | 16 | |||
| Момент кручення на виході, Нм | Режим роботи | Безперервний Н (ПВ=100%) | 22500 | |
| Дуже важкий ВТ (ПВ=60%) | 26500 | |||
| Важкий Т (ПВ=40%) | 27200 | |||
| Середній С (ПВ=25%) | 43000 | |||
| Легкий Л (ПВ=15%) | 58000 | |||
| Швидкість радання швидкохідного вала, об/хв | 1500 | |||
| Навантаження на вхідний валу, Н | Режим роботи | Безперервний Н (ПВ=100%) | 4600 | 4100 |
| Важкий Т (ПВ=40%) | 5100 | 4600 | ||
| Середній С (ПВ=25%) | 6400 | 5700 | ||
| Легкий Л (ПВ=15%) | 7500 | 6700 | ||
| Навантаження на вихідний валу, Н | Режим роботи | Безперервний Н (ПВ=100%) | 37500 | |
| Дуже важкий ВТ (ПВ=60%) | 32000 | |||
| Важкий Т (ПВ=40%) | 41200 | |||
| Середній С (ПВ=25%) | 51800 | |||
| Легкий Л (ПВ=15%) | 60200 | |||
| Вага пристрою, кг | 1650 | |||
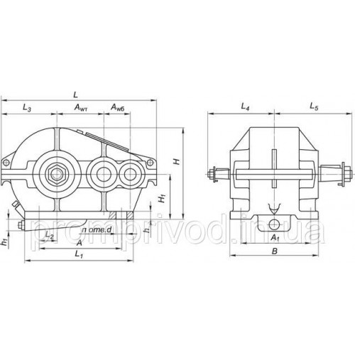
Розміри циліндричного кранового редуктора Ц2-750-16:

| AWT | Awб | A | A1 | B | H | H1 | h | h1 | L | L1 | L2 | L3 | L4 | L5 | d | n |
| 450 | 300 | 900 | 560 | 650 | 783 | 355 | 40 | 100 | 1455 | 1040 | 225 | 494 | 570 | 645 | 46 | 8 |
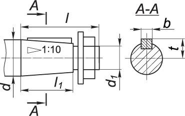
Розміри валів конічної форми циліндричного кранового редуктора Ц2-750-16:

| Вал, розташований на вході | Вал, розташований на виході | ||||||||||
| d | d1 | l | l1 | b | t | d | d1 | l | l1 | b | t |
| 80 | М56×4 | 170 | 130 | 20 | 41.25 | 170 | М125×4 | 300 | 240 | 40 | 88 |
| Вал, розташований на виході | ||||||||
| d | d1 | d2 | l | l1 | b | t | n | L |
| 170s6 | 105 | М16 | 240 | 26 | 40 | 184 | 3 | 595 |
| b | d | d1 | d2 | L | l | l1 | Зачеплення | |
| m | z | |||||||
| 60 | 504 | 200F8 | 290 | 480 | 20 | 90 | 12 | 40 |
Редуктор Ц2-750-16
Відгуків про цей товар ще не було.
Немає відгуків про цей товар, станьте першим, залиште свій відгук.
Немає питань про даний товар, станьте першим і задайте своє питання.