Редуктор Ц2-750-25
Редуктор Ц2-750-25
Горизонтальний редуктор Ц2-750-25 це надійний агрегат, , який застосовують у своїх пристроях різноманітні галузі машинобудування. Його головним і основним завданням є зміна крутного моменту та числа обертів. Застосовується в парі з різними приводами та електродвигунами.
Двоступеневий циліндричний редуктор Ц2-750-25 має кілька умов для його застосування:
робоче навантаження може бути постійним або змінним,
вали редуктора можуть обертатися в будь-якому напрямку,
евольвентне зубчасте зачеплення, що передає обертання,
редуктори працюють у разі змінних навантажень із періодичними зупинками, а також у режимі 24 години,
дані редуктори продуктивно працюють як із прямою, так і з реверсивним навантаженням.
Наші фахівці проконсультують на будь-якому запиту, що цікавить Вас, та допоможуть оформити замовлення. Компанія Зевс надає гарантію виробника на 36 місяців. Кожен редуктор проходить перевірку перед відправленням на плавність ходу, шум і вібрацію. Відсилання відбувається в умовлені терміни. Доставка по всій Україні.
Варіанти складання редуктора Ц2-750-25:

Технічні характеристики редуктора Ц2-750-25:
| Передатне число | 25 | ||
| Момент кручення на виході, Нм | Режим роботи | Безперервний Н (ПВ=100%) | 22500 |
| Дуже важкий ВТ (ПВ=60%) | 27200 | ||
| Важкий Т (ПВ=40%) | 27200 | ||
| Середній С (ПВ=25%) | 47500 | ||
| Легкий Л (ПВ=15%) | 67000 | ||
| Швидкість радання швидкохідного вала, об/хв | 1500 | ||
| Навантаження на вхідний валу, Н | Режим роботи | Безперервний Н (ПВ=100%) | 3700 |
| Важкий Т (ПВ=40%) | 4100 | ||
| Середній С (ПВ=25%) | 5400 | ||
| Легкий Л (ПВ=15%) | 6400 | ||
| Навантаження на вихідний валу, Н | Режим роботи | Безперервний Н (ПВ=100%) | 37500 |
| Дуже важкий ВТ (ПВ=60%) | 32000 | ||
| Важкий Т (ПВ=40%) | 41200 | ||
| Середній С (ПВ=25%) | 54400 | ||
| Легкий Л (ПВ=15%) | 64700 | ||
| Вага пристрою, кг | 1650 | ||
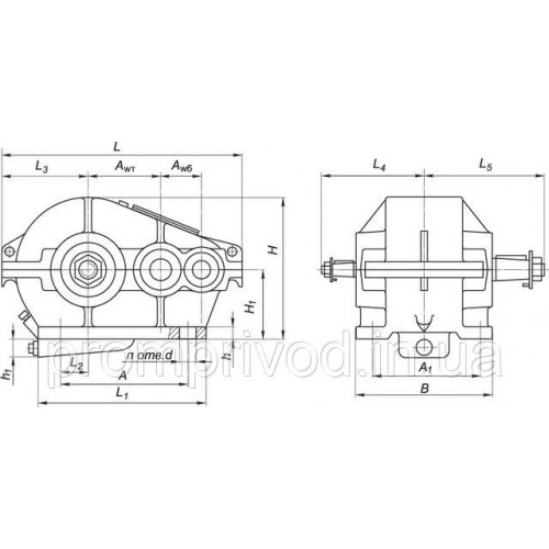
Розміри циліндричного кранового редуктора Ц2-750-25:

| AWT | Awб | A | A1 | B | H | H1 | h | h1 | L | L1 | L2 | L3 | L4 | L5 | d | n |
| 450 | 300 | 900 | 560 | 650 | 783 | 355 | 40 | 100 | 1455 | 1040 | 225 | 494 | 570 | 645 | 46 | 8 |
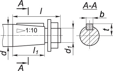
Розміри валів конічної форми циліндричного кранового редуктора Ц2-750-25:

| Вал, розташований на вході | Вал, розташований на виході | ||||||||||
| d | d1 | l | l1 | b | t | d | d1 | l | l1 | b | t |
| 80 | М56 4 | 170 | 130 | 20 | 41.25 | 170 | М125 4 | 300 | 240 | 40 | 88 |
Розміри валів циліндричної форми кранового редуктора Ц2-750-25:

| Вал, розташований на виході | ||||||||
| d | d1 | d2 | l | l1 | b | t | n | L |
| 170s6 | 105 | М16 | 240 | 26 | 40 | 184 | 3 | 595 |
Таблиця розмірів вала, розташованого на виході, що має вигляд зубчастої півмуфти редуктора Ц2-750-25:

| b | d | d1 | d2 | L | l | l1 | Зачеплення | |
| m | z | |||||||
| 60 | 504 | 200F8 | 290 | 480 | 20 | 90 | 12 | 40 |
Приклад умовного позначення редуктора Ц2-750-25 у разі замовлення:

Редуктор Ц2-750-25
Відгуків про цей товар ще не було.
Немає відгуків про цей товар, станьте першим, залиште свій відгук.
Немає питань про даний товар, станьте першим і задайте своє питання.