Редуктор Ц2-750-50
Редуктор Ц2-750-50
Редуктор Ц2-750-50 є дуже надійним і простим у застосуванні та являє собою горизонтальний двоступеневий механізм. Тип передавання в нього циліндричний. Він знайшов своє застосування в галузях машинобудування. Використовують редуктор Ц2 там, де потрібно змінити кількість обертів і крутний момент різних приводів і електродвигунів. Наприклад, у пристроях кранів, підіймачів, транспортерів та інших установок.
Горизонтальний редуктор Ц2-750-50 має низку умов для експлуатації:
• Високий коефіцієнт корисної дії (понад 95%).
• Працює як зі змінними навантаженнями, так і в режимі 24 години.
• Обертання валів як в один, так і у зворотний бік.
• Точність передавання крутного моменту.
• Працює в помірно запиленому неагресивному середовищі.
• Навантаження одного напрямку або реверсивне.
Наші фахівці проконсультують на будь-якому запиту, що цікавить Вас, та допоможуть оформити замовлення. Компанія «Зевс» надає гарантію виробника на 36 місяців. Кожен редуктор проходить перевірку перед відправленням на плавність ходу, шум і вібрацію. Відсилання відбувається в умовлені терміни. Доставка по всій Україні
Варіанти складання редуктора Ц2-750-50:

Технічні характеристики редуктора Ц2-750-50:
| Передатне число | 50 | ||
| Момент кручення на виході, Нм | Режим роботи | Безперервний Н (ПВ=100%) | 20600 |
| Дуже важкий ВТ (ПВ=60%) | 25000 | ||
| Важкий Т (ПВ=40%) | 25000 | ||
| Середній С (ПВ=25%) | 53000 | ||
| Легкий Л (ПВ=15%) | 73000 | ||
| Швидкість радання швидкохідного вала, об/хв | 1500 | ||
| Навантаження на вхідний валу, Н | Режим роботи | Безперервний Н (ПВ=100%) | 2500 |
| Важкий Т (ПВ=40%) | 3700 | ||
| Середній С (ПВ=25%) | 4000 | ||
| Легкий Л (ПВ=15%) | 4700 | ||
| Навантаження на вихідний валу, Н | Режим роботи | Безперервний Н (ПВ=100%) | 35800 |
| Дуже важкий ВТ (ПВ=60%) | 32000 | ||
| Важкий Т (ПВ=40%) | 39500 | ||
| Середній С (ПВ=25%) | 57500 | ||
| Легкий Л (ПВ=15%) | 67500 | ||
| Вага пристрою, кг | 1650 | ||
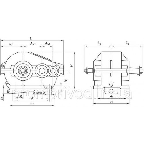
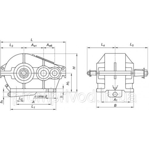
Розміри циліндричного кранового редуктора Ц2-750-50:

| AWT | Awб | A | A1 | B | H | H1 | h | h1 | L | L1 | L2 | L3 | L4 | L5 | d | n |
| 450 | 300 | 900 | 560 | 650 | 783 | 355 | 40 | 100 | 1455 | 1040 | 225 | 494 | 570 | 645 | 46 | 8 |
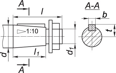
Розміри валів конічної форми циліндричного кранового редуктора Ц2-750-50:

| Вал, розташований на вході | Вал, розташований на виході | ||||||||||
| d | d1 | l | l1 | b | t | d | d1 | l | l1 | b | t |
| 80 | М56×4 | 170 | 130 | 20 | 41.25 | 170 | М125×4 | 300 | 240 | 40 | 88 |
| Вал, розташований на виході | ||||||||
| d | d1 | d2 | l | l1 | b | t | n | L |
| 170s6 | 105 | М16 | 240 | 26 | 40 | 184 | 3 | 595 |
| b | d | d1 | d2 | L | l | l1 | Зачеплення | |
| m | z | |||||||
| 60 | 504 | 200F8 | 290 | 480 | 20 | 90 | 12 | 40 |
Редуктор Ц2-750-50
Відгуків про цей товар ще не було.
Немає відгуків про цей товар, станьте першим, залиште свій відгук.
Немає питань про даний товар, станьте першим і задайте своє питання.