Редуктор Ц2-750-8
Редуктор Ц2-750-8
В редукторах Ц2-750-8 циліндричний тип передавання з паралельним розташуванням осей. Ці механізми знайшли своє застосування в багатьох галузях машинобудування. Редуктори Ц2 є двоступеневими механізмами для зміни крутного моменту та частоти обертання різних електродвигунів, приводів та інших пристроїв.
Редуктор Ц2 -750-8 вельми потрібний і має низку переваг:
1. Високий коефіцієнт корисної дії (понад 95%).
2. Працює як зі змінними навантаженнями, так і в режимі 24 години.
3. Обертання валів як в один, так і у зворотний бік.
4. Точність передавання крутного моменту.
5. Максимальна частота обертання вхідного вала 1500 об./хв.
6. Різні кліматичні умови.
7. Навантаження одного напрямку або реверсивне.
Їхній корпус виготовлений як моноблок і виготовлений із чавуну (в окремих випадках може бути з іншого металу).
Зателефонувавши нашим менеджерам, ви отримаєте всю необхідну інформацію про продукцію. Компанія «Зевс» надає гарантію від виробника на 36 місяців. Кожен редуктор проходить перевірку перед відправленням на плавність ходу, шум і вібрацію. Відсилання відбувається в умовлені терміни. Доставка по всій Україні
Варіанти складання редуктора Ц2-750-8:

Технічні характеристики редуктора Ц2-750-8:
| Передатне число | 8 | |||
| Момент кручення на виході, Нм | Режим роботи | Безперервний Н (ПВ=100%) | 24300 | |
| Дуже важкий ВТ (ПВ=60%) | – | |||
| Важкий Т (ПВ=40%) | 30500 | |||
| Середній С (ПВ=25%) | 43000 | |||
| Легкий Л (ПВ=15%) | 58000 | |||
| Швидкість радання швидкохідного вала, об/хв | 1500 | |||
| Навантаження на вхідний валу, Н | Режим роботи | Безперервний Н (ПВ=100%) | 6800 | 6100 |
| Важкий Т (ПВ=40%) | 7700 | 6900 | ||
| Середній С (ПВ=25%) | 9100 | 8100 | ||
| Легкий Л (ПВ=15%) | 10600 | 9500 | ||
| Навантаження на вихідний валу, Н | Режим роботи | Безперервний Н (ПВ=100%) | 38900 | |
| Дуже важкий ВТ (ПВ=60%) | 32000 | |||
| Важкий Т (ПВ=40%) | 43600 | |||
| Середній С (ПВ=25%) | 51800 | |||
| Легкий Л (ПВ=15%) | 60200 | |||
| Вага пристрою, кг | 1650 | |||
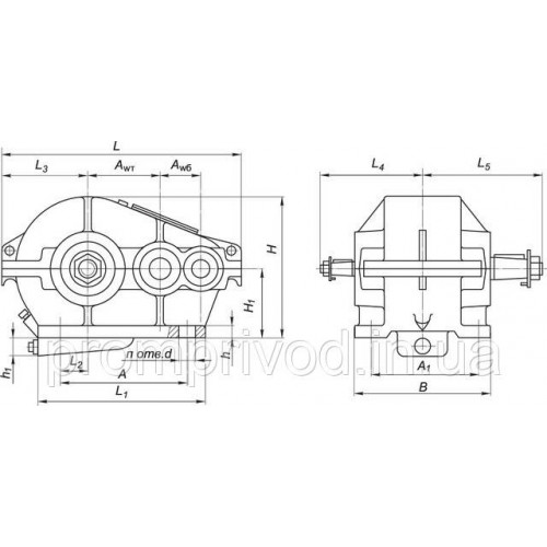
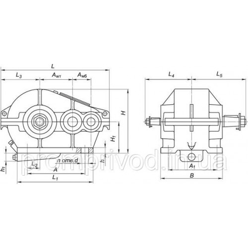
Розміри циліндричного кранового редуктора Ц2-750-8:

| AWT | Awб | A | A1 | B | H | H1 | h | h1 | L | L1 | L2 | L3 | L4 | L5 | d | n |
| 450 | 300 | 900 | 560 | 650 | 783 | 355 | 40 | 100 | 1455 | 1040 | 225 | 494 | 570 | 645 | 46 | 8 |
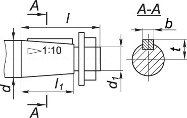
Розміри валів конічної форми циліндричного кранового редуктора Ц2-750-8:

| Вал, розташований на вході | Вал, розташований на виході | ||||||||||
| d | d1 | l | l1 | b | t | d | d1 | l | l1 | b | t |
| 80 | М56×4 | 170 | 130 | 20 | 41.25 | 170 | М125×4 | 300 | 240 | 40 | 88 |
| Вал, розташований на виході | ||||||||
| d | d1 | d2 | l | l1 | b | t | n | L |
| 170s6 | 105 | М16 | 240 | 26 | 40 | 184 | 3 | 595 |
| b | d | d1 | d2 | L | l | l1 | Зачеплення | |
| m | z | |||||||
| 60 | 504 | 200F8 | 290 | 480 | 20 | 90 | 12 | 40 |
Редуктор Ц2-750-8
Відгуків про цей товар ще не було.
Немає відгуків про цей товар, станьте першим, залиште свій відгук.
Немає питань про даний товар, станьте першим і задайте своє питання.