Редуктор Ц2У-100
Редуктор Ц2У-100 двоступінчастий циліндричний вузький
Редуктори Ц2У-100 використовуються в якості перетворювача механічних величин з метою оптимізації робочого процесу.
Редуктор даній серії представляє собою двоступінчастий циліндричний демультиплікатор – агрегат, який знижує частоту обертання валу і тим самим впливає на момент кручення, що передається робочому органу. Такі перетворювачі активно використовуються в неагресивних умовах помірного і тропічного клімату в температурно контрольованих приміщеннях при середній запиленості і відсутності значної кількості вологи.
Звертайтеся в компанію «Промпривод» для придбання загальнопромислових і вузькоспеціалізованих перетворювачів різних потужностей і модифікацій. Менеджери нашого підприємства нададуть вам детальну інформацію з будь-якого питання і допоможуть визначитися з покупкою редуктора або іншого механізму, виходячи з особливостей вашого технологічного процесу. Ми працюємо по всій Україні і надаємо тривалу гарантію на агрегати, діючу протягом 36 місяців.
Конструкція редуктора Ц2В-100

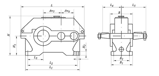
Габаритні і приєднувальні розміри
| Типорозмір редуктора | L | L1 | L2 | L3 | L4 | L5 | B | B1 | B2 | H | H1 | H2 | d |
| Ц2В-100 | 390 | 325 | 290 | 85 | 136 | 165 | 155 | 145 | 109 | 230 | 112 | 20 | 15 |
Основні технічні характеристики
| Типорозмір редуктора | Передаточне число u | Фактичне передаточне число u1 | ККД, % | Маса редуктора, кг | AwT | AwБ | Обсяг заливається масла, л |
| Ц2В-100 | 8, 10, 12.5, 16, 20, 25, 31.5, 40 | 8.00, 10.32, 12.80, 16.00, 20.64, 25.60, 32.55, 40.32 | 96 | 21 | 100 | 80 | 0.7 |
| Типорозмір редуктора | Номінальний крутний момент на вихідному валу при тривалій роботі з постійним навантаженням, Н*м | Допустимий крутний момент на вихідному валу при роботі редуктора в повторно-короткочасних режимах, Н*м | Допускається радіальна консольні навантаження, прикладене в середині посадочної частини, Н | |||||||||
| Вхідний (швидкохідний) вал | Вихідний (тихохоходный) вал | |||||||||||
| Безперервний (Н), ПВ=100% | Важкий (Т), ПВ=40% | Середній (С), ПВ=25% | Легкий (Л), ПВ=15% | (Н) | (Т) | (С) | (Л) | (Н) | (Т) | (С) | (Л) | |
| Ц2В-100 | 315 | 315 | 500 | 4500 | ||||||||
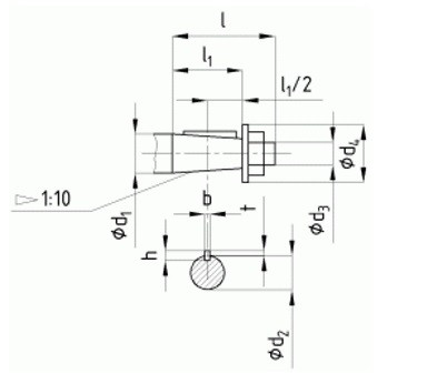
Розміри конічного кінця вхідного і вихідного валу

| Типорозмір редуктора | Вал | d1 | d2 | d3 | d4 | l | l1 | b | h | t |
| Ц2В-100 | вхідний | 20 | 18.2 | М12х1.25 | 30 | 50 | 36 | 4 | 4 | 2.5 |
| вихідний | 35 | 32.1 | М20х1.5 | 45 | 80 | 58 | 6 | 6 | 3.5 |
Типорозміри підшипників
| Типорозмір редуктора | Вхідний вал (швидкохідний) | Кількість | Проміжний вал | Кількість | Вихідний вал (тихохідний) | Кількість |
| Ц2В-100 | 7604 | 2 | 7604 | 2 | 7307А | 2 |
Варіанти складання двоступінчастого циліндричного редуктора Ц2В-100

Умовне позначення редуктора
Ц2В-100-31,5-11-М-У3
Ц2В – тип редуктора;
100 – міжосьова відстань тихохідної ступені, мм;
31,5 – передаточне число;
11 – схема складання;
У3 – кліматичне виконання і категорія розміщення за ГОСТ 15150-69.
Редуктор Ц2У-100
Відгуків про цей товар ще не було.
Немає відгуків про цей товар, станьте першим, залиште свій відгук.
Немає питань про даний товар, станьте першим і задайте своє питання.