Редуктор Ц2У-125
Редуктор Ц2У-125 двоступінчастий циліндричний вузький
Універсальний і багатоцільовий редуктор Ц2У-125 – це двоступеневий вузький циліндричний перетворювач механічних величин, має вкрай високі показники ККД і можливість однаково результативно експлуатуватися при частих пусках-зупинках чи в тривалому навантажувальному періоді. Редуктор даної серії може стати незамінною частиною частотно-регульованого приводу, експлуатуватися як перетворювач у вантажному крані, конвеєрній стрічці, транспорті або використовуватися при вирішенні інших завдань.
Звертайтеся в компанію «Промпривод» для придбання загальнопромислових і вузькоспеціалізованих перетворювачів різних потужностей і модифікацій. Менеджери нашого підприємства нададуть вам детальну інформацію з будь-якого питання і допоможуть визначитися з покупкою редуктора або іншого механізму, виходячи з особливостей вашого технологічного процесу. Ми працюємо по всій Україні і надаємо тривалу гарантію на агрегати, діючу протягом 36 місяців.
Конструкція редуктора Ц2В-125

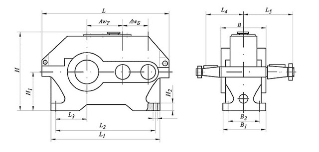
Габаритні і приєднувальні розміри
| Типорозмір редуктора | L | L1 | L2 | L3 | L4 | L5 | B | B1 | B2 | H | H1 | H2 | d |
| Ц2В-125 | 450 | 375 | 335 | 106 | 145 | 206 | 175 | 165 | 125 | 272 | 132 | 22 | 19 |
Основні технічні характеристики
| Типорозмір редуктора | Передаточне число u | Фактичне передаточне число u1 | ККД, % | Маса редуктора, кг | AwT | AwБ | Обсяг заливається масла, л |
| Ц2В-125 | 8, 10, 12.5, 16, 20, 25, 31.5, 40 | 7.75, 10.00, 12.18, 15.48, 20.00, 24.36, 31.50, 38.37 | 96 | 31.5 | 125 | 80 | 0.9 |
| Типорозмір редуктора | Номінальний крутний момент на вихідному валу при тривалій роботі з постійним навантаженням, Н*м | Допустимий крутний момент на вихідному валу при роботі редуктора в повторно-короткочасних режимах, Н*м | Допускається радіальна консольні навантаження, прикладене в середині посадочної частини, Н | |||||||||
| Вхідний (швидкохідний) вал | Вихідний (тихохоходный) вал | |||||||||||
| Безперервний (Н), ПВ=100% | Важкий (Т), ПВ=40% | Середній (С), ПВ=25% | Легкий (Л), ПВ=15% | (Н) | (Т) | (С) | (Л) | (Н) | (Т) | (С) | (Л) | |
| Ц2В-125 | 630 | 630 | 750 | 6300 | ||||||||
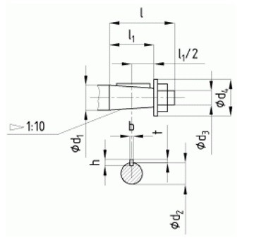
Розміри конічного кінця вхідного і вихідного валу

| Типорозмір редуктора | Вал | d1 | d2 | d3 | d4 | l | l1 | b | h | t |
| Ц2В-125 | вхідний | 20 | 18.2 | М12х1.25 | 30 | 50 | 36 | 4 | 4 | 2.5 |
| вихідний | 45 | 40.9 | М30х2 | 56 | 110 | 82 | 12 | 8 | 5 |
Типорозміри підшипників
| Типорозмір редуктора | Вхідний вал (швидкохідний) | Кількість | Проміжний вал | Кількість | Вихідний вал (тихохідний) | Кількість |
| Ц2В-125 | 7604 | 2 | 7605А | 2 | 7309А | 2 |
Варіанти складання двоступінчастого циліндричного редуктора Ц2В-125

Умовне позначення редуктора
Ц2В-125-31,5-11-М-У3
Ц2В – тип редуктора;
100 – міжосьова відстань тихохідної ступені, мм;
31,5 – передаточне число;
11 – схема складання;
У3 – кліматичне виконання і категорія розміщення за ГОСТ 15150-69.
Редуктор Ц2У-125
Відгуків про цей товар ще не було.
Немає відгуків про цей товар, станьте першим, залиште свій відгук.
Немає питань про даний товар, станьте першим і задайте своє питання.