Редуктор Ц2У-160
Редуктор Ц2У-160 двоступінчастий циліндричний вузький
Редуктор серії Ц2У з міжосьовою відстанню 160 мм відноситься до категорії циліндричних двоступеневих перетворювачів частоти обертання вала і моменту кручення. Механізм використовується для вирішення більшості виробничих, будівельних і господарських завдань, що потребують участь механічного перетворювача.
Важливою умовою коректної роботи пристрою є попередня прогонка редуктора Ц2В-160 на холостому ходу з залитим маслом. Встановлення перетворювача повинна проводитися виключно в горизонтальному положенні.
Звертайтеся в компанію «Промпривод» для придбання загальнопромислових і вузькоспеціалізованих перетворювачів різних потужностей і модифікацій. Менеджери нашого підприємства нададуть вам детальну інформацію з будь-якого питання і допоможуть визначитися з покупкою редуктора або іншого механізму, виходячи з особливостей вашого технологічного процесу. Ми працюємо по всій Україні і надаємо гарантію на агрегати 12 місяців.
Конструкція редуктора Ц2В-160

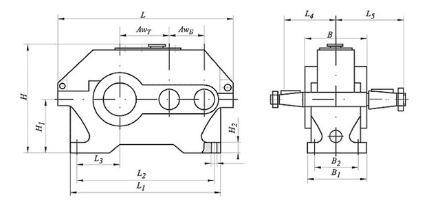
Габаритні і приєднувальні розміри
| Типорозмір редуктора | L | L1 | L2 | L3 | L4 | L5 | B | B1 | B2 | H | H1 | H2 | d | |
| чавунний корпус | алюмінієвий корпус | |||||||||||||
| Ц2В-160 | 557 | 475 | 425 | 135 | 170 | 224 | 206 | 195 | 140 | 345 | 170 | 24 | 28 | 24 |
Основні технічні характеристики
| Типорозмір редуктора | Передаточне число u | Фактичне передаточне число u1 | ККД, % | Маса редуктора, кг | AwT | AwБ | Обсяг заливається масла, л | |
| чавунний корпус | алюмінієвий корпус | |||||||
| Ц2В-160 | 8, 10, 12.5, 16, 20, 25, 31.5, 40 | 8.00, 10.32, 12.60, 16.00, 20.64, 25.20, 32.55, 40.32 | 96 | 95 | 57 | 160 | 100 | 3.7 |
| Типорозмір редуктора | Номінальний крутний момент на вихідному валу при тривалій роботі з постійним навантаженням, Н*м | Допустимий крутний момент на вихідному валу при роботі редуктора в повторно-короткочасних режимах, Н*м | Допускається радіальна консольні навантаження, прикладене в середині посадочної частини, Н | |||||||||
| Вхідний (швидкохідний) вал | Вихідний (тихохоходный) вал | |||||||||||
| Безу- | Важкий (Т), ПВ=40% | Середній (С), ПВ=25% | Легкий (Л), ПВ=15% | (Н) | (Т) | (С) | (Л) | (Н) | (Т) | (С) | (Л) | |
| Ц2В-160 | 1250 | 1600 | 2000 | 2500 | 1000 | 1150 | 1230 | 1450 | 9000 | 10000 | 11200 | 12500 |
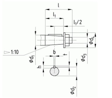
Розміри конічного кінця вхідного і вихідного валу

| Типорозмір редуктора | Вал | d1 | d2 | d3 | d4 | l | l1 | b | h | t |
| Ц2В-160 | вхідний | 25 | 22.9 | М16х1.5 | 38 | 60 | 42 | 5 | 5 | 3 |
| вихідний | 55 | 50.9 | МЗ6хЗ | 70 | 110 | 82 | 14 | 9 | 5.5 |
Розміри циліндричного вихідного кінця вала
| Типорозмір редуктора | Вал | d2 | l | l1 | b | h | t |
| Ц2В-160 | вихідний | 50 m 6 | 196 | 82 | 14 | 53.5 | 8 |
Розміри вихідного кінця вала у вигляді зубчастої напівмуфти
| Типорозмір редуктора | Вал | m | z | b | L | L1 | k | B | d | d1 |
| Ц2В-160 | вихідний | 4 | 40 | 20 | 48 | 20 | 19 | 38 | 72 f 7 | 95 f 9 |
Типорозміри підшипників
| Типорозмір редуктора | Вхідний вал (швидкохідний) | Кількість | Проміжний вал | Кількість | Вихідний вал (тихохідний) | Кількість |
| Ц2В-160 | 7605А | 2 | 7607А | 2 | 7311К | 2 |
Варіанти складання двоступінчастого циліндричного редуктора Ц2В-160

Умовне позначення редуктора
Ц2В-160-31,5-11-М-У3
Ц2В – тип редуктора;
160 – міжосьова відстань тихохідної ступені, мм;
31,5 – передаточне число;
11 – схема складання;
У3 – кліматичне виконання і категорія розміщення за ГОСТ 15150-69.
Редуктор Ц2У-160
Відгуків про цей товар ще не було.
Немає відгуків про цей товар, станьте першим, залиште свій відгук.
Немає питань про даний товар, станьте першим і задайте своє питання.