Редуктор Ц2У-200
Редуктор Ц2У-200 двоступінчастий циліндричний вузький
Установка редуктора Ц2У-200 може проводитися виключно в горизонтальному положенні в умовах помірного або тропічного клімату при середній запиленості приміщення і неагресивна середовища. Цей механізм відноситься до універсальних і вкрай часто використовується в якості перетворювача в складі привода загального призначення, а так само як частина системи управління вантажним краном, конвеєром, транспортними засобами тощо
Звертайтеся в компанію «Промпривод» для придбання загальнопромислових і вузькоспеціалізованих перетворювачів різних потужностей і модифікацій. Менеджери нашого підприємства нададуть вам детальну інформацію з будь-якого питання і допоможуть визначитися з покупкою редуктора або іншого механізму, виходячи з особливостей вашого технологічного процесу. Ми працюємо по всій Україні і надаємо тривалу гарантію на агрегати, діючу протягом 36 місяців.
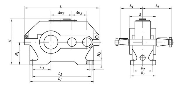
Конструкція редуктора Ц2В-200

Габаритні і приєднувальні розміри
| Типорозмір редуктора | L | L1 | L2 | L3 | L4 | L5 | B | B1 | B2 | H | H1 | H2 | d |
| Ц2В-200 | 825 | 580 | 515 | 165 | 212 | 280 | 243 | 230 | 165 | 425 | 212 | 30 | 24 |
Основні технічні характеристики
| Типорозмір редуктора | Передаточне число u | Фактичне передаточне число u1 | ККД, % | Маса редуктора, кг | AwT | AwБ | Обсяг заливається масла, л |
| Ц2В-200 | 8, 10, 12.5, 16, 20, 25, 31.5, 40 | 8.09, 9.76, 12.08, 16.00, 20.02, 24.83, 31.47, 38.98 | 96 | 170 | 200 | 125 | 9 |
| Типорозмір редуктора | Номінальний крутний момент на вихідному валу при тривалій роботі з постійним навантаженням, Н*м | Допустимий крутний момент на вихідному валу при роботі редуктора в повторно-короткочасних режимах, Н*м | Допускається радіальна консольні навантаження, прикладене в середині посадочної частини, Н | |||||||||
| Вхідний (швидкохідний) вал | Вихідний (тихохоходный) вал | |||||||||||
| Безперервний (Н), ПВ=100% | Важкий (Т), ПВ=40% | Середній (С), ПВ=25% | Легкий (Л), ПВ=15% | (Н) | (Т) | (С) | (Л) | (Н) | (Т) | (С) | (Л) | |
| Ц2В-200 | 2500 | 3150 | 4000 | 5000 | 2240 | 2300 | 2500 | 3150 | 12500 | 14000 | 16000 | 18000 |
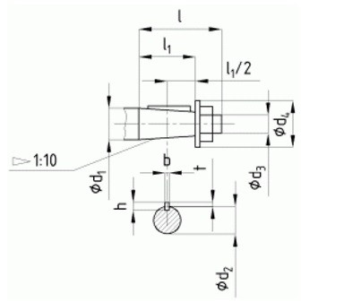
Розміри конічного кінця вхідного і вихідного валу

| Типорозмір редуктора | Вал | d1 | d2 | d3 | d4 | l | l1 | b | h | t |
| Ц2В-200 | вхідний | 30 | 27.1 | М20х1.5 | 45 | 80 | 58 | 5 | 5 | 3 |
| вихідний | 70 | 64.75 | М48хЗ | 100 | 140 | 105 | 18 | 11 | 7 |
Розміри циліндричного вихідного кінця вала
| Типорозмір редуктора | Вал | d2 | l | l1 | b | h | t |
| Ц2В-200 | вихідний | 65 m 6 | 243 | 105 | 18 | 71 | 10 |
Розміри вихідного кінця вала у вигляді зубчастої напівмуфти
| Типорозмір редуктора | Вал | m | z | b | L | L1 | k | B | d | d1 |
| Ц2В-200 | вихідний | 5 | 40 | 25 | 55 | 32 | 22 | 50 | 80 f 7 | 105 f 9 |
Розміри порожнього вихідного вала
| Типорозмір редуктора | Вал | d2 | l | l1 | b | g |
| Ц2В-200 | вихідний | 75 | 125 | 90 | 71 | 70*2.5*9H |
Типорозміри підшипників
| Типорозмір редуктора | Вхідний вал (швидкохідний) | Кількість | Проміжний вал | Кількість | Вихідний вал (тихохідний) | Кількість | Вихідний вал (тихохідний) у вигляді зубчастої напівмуфти | Кількість | Вихідний вал (тихохідний) порожнистий | Кількість |
| Ц2В-200 | 7606 | 2 | 7609 | 2 | 7314А | 2 | 7314А | 1 | 2007120 | 2 |
Варіанти складання двоступінчастого циліндричного редуктора Ц2В-200

Умовне позначення редуктора
Ц2В-200-31,5-11-М-У3
Ц2В – тип редуктора;
200 – міжосьова відстань тихохідної ступені, мм;
31,5 – передаточне число;
11 – схема складання;
У3 – кліматичне виконання і категорія розміщення за ГОСТ 15150-69.
Редуктор Ц2У-200
Відгуків про цей товар ще не було.
Немає відгуків про цей товар, станьте першим, залиште свій відгук.
Немає питань про даний товар, станьте першим і задайте своє питання.