Редуктор Ц2У-250
Редуктор Ц2У-250 двоступінчастий циліндричний вузький
Редуктори Ц2У-250 – багатоцільовий універсальний перетворювач з високим показником ККД.
Дані пристрої відносяться до двоступінчастим циліндричним перетворювачів – демультипликаторам. Ці механізми зменшують значення вступників на них механічних величин до заданих в технологічному процесі для оптимізації роботи всієї системи.
Звертайтеся в компанію «Промпривод» для придбання загальнопромислових і вузькоспеціалізованих перетворювачів різних потужностей і модифікацій. Менеджери нашого підприємства нададуть вам детальну інформацію з будь-якого питання і допоможуть визначитися з покупкою редуктора або іншого механізму, виходячи з особливостей вашого технологічного процесу. Ми працюємо по всій Україні і надаємо гарантію на агрегати 12 місяців.
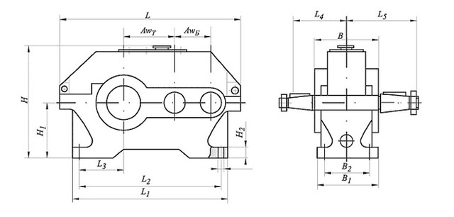
Конструкція редуктора Ц2В-250

Габаритні і приєднувальні розміри
| Типорозмір редуктора | L | L1 | L2 | L3 | L4 | L5 | B | B1 | B2 | H | H1 | H2 | d |
| Ц2В-250 | 890 | 730 | 670 | 212 | 265 | 335 | 290 | 280 | 218 | 530 | 265 | 32 | 28 |
Основні технічні характеристики
| Типорозмір редуктора | Передаточне число u | Фактичне передаточне число u1 | ККД, % | Маса редуктора, кг | AwT | AwБ | Обсяг заливається масла, л |
| Ц2В-250 | 8, 10, 12.5, 16, 20, 25, 31.5, 40 | 8.26, 10.00, 12.18, 16.53, 20.00, 24.36, 31.50, 38.37 | 96 | 310 | 250 | 160 | 10 |
| Типорозмір редуктора | Номінальний крутний момент на вихідному валу при тривалій роботі з постійним навантаженням, Н*м | Допустимий крутний момент на вихідному валу при роботі редуктора в повторно-короткочасних режимах, Н*м | Допускається радіальна консольні навантаження, прикладене в середині посадочної частини, Н | |||||||||
| Вхідний ( швидкохідний ) вал | Вихідний (тихохоходный) вал | |||||||||||
| Безперервний (Н), ПВ=100% | Важкий (Т), ПВ=40% | Середній (С), ПВ=25% | Легкий (Л), ПВ=15% | (Н) | (Т) | (С) | (Л) | (Н) | (Т) | (С) | (Л) | |
| Ц2В-250 | 5000 | 6300 | 8000 | 10000 | 3150 | 3550 | 4000 | 4500 | 18000 | 20000 | 22400 | 25000 |
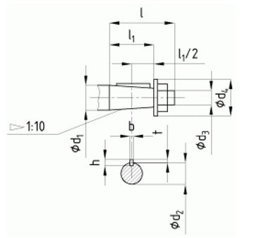
Розміри конічного кінця вхідного і вихідного валу

| Типорозмір редуктора | Вал | d1 | d2 | d3 | d4 | l | l1 | b | h | t |
| Ц2В-250 | вхідний | 40 | 35.9 | М24х2 | 50 | 110 | 82 | 10 | 8 | 5 |
| вихідний | 90 | 83.5 | М64х4 | 118 | 170 | 130 | 22 | 14 | 9 |
Розміри циліндричного вихідного кінця вала
| Типорозмір редуктора | Вал | d2 | l | l1 | b | h | t |
| Ц2В-250 | вихідний | 85 m 6 | 295 | 130 | 22 | 90 | 14 |
Розміри вихідного кінця вала у вигляді зубчастої напівмуфти
| Типорозмір редуктора | Вал | m | z | b | L | L1 | k | B | d | d1 |
| Ц2В-250 | вихідний | 4 | 56 | 35 | 63 | 16 | 31 | 50 | 120 f 7 | 170 f 9 |
Розміри порожнього вихідного вала
| Типорозмір редуктора | Вал | d2 | d21 | l | l1 | l2 | b | g |
| Ц2В-250 | вихідний | 115 | 115H10 | 150 | 16 | 94 | 80 | 10*102*112H12*16D9 |
Типорозміри підшипників
| Типорозмір редуктора | Вхідний вал (швидкохідний) | Кількість | Проміжний вал | Кількість | Вихідний вал (тихохідний) | Кількість | Вихідний вал (тихохідний) у вигляді зубчастої напівмуфти | Кількість | Вихідний вал (тихохідний) порожнистий | Кількість |
| Ц2В-250 | 7608А | 2 | 7611А | 2 | 7318А | 2 | 7318А | 2 | 2007928 | 2 |
Варіанти складання двоступінчастого циліндричного редуктора Ц2В-250

Умовне позначення редуктора
Ц2В-250-31,5-11-М-У3
Ц2В – тип редуктора;
250 – міжосьова відстань тихохідної ступені, мм;
31,5 – передаточне число;
11 – схема складання;
У3 – кліматичне виконання і категорія розміщення за ГОСТ 15150-69.
Редуктор Ц2У-250
Відгуків про цей товар ще не було.
Немає відгуків про цей товар, станьте першим, залиште свій відгук.
Немає питань про даний товар, станьте першим і задайте своє питання.