Редуктор Ц3ВК-100-16
Циліндричний редуктор Ц3ВК-100-16
Редуктори Ц3ВК-100-16 відносяться до триступінчастих циліндричних пристроїв, основною функцією яких є перетворення моменту і швидкості обертання, що передаються в механізм електродвигуном.
Даний пристрій відноситься до найбільш відомих і добре зарекомендували себе на ринку подібних агрегатів через доступну вартість і хороші показники роботи: на виході редуктор видає не менше 94% ККД.
Детальну інформацію про редуктори Ц3ВК-100 ви можете дізнатися, замовивши дзвінок до нашого менеджера-консультанта компанії «Промпривод», здатного надати вам професійну допомогу в процесі вибору необхідного обладнання.
Зробивши замовлення у нас, ви купуєте якісний товар вищої якості з гарантією 12 місяців, що діє з моменту покупки. Доставка здійснюється по всій Україні в обумовлений термін. Для постійних клієнтів та оптових покупців діє гнучка система знижок.
Конструкція редуктора Ц3ВК-100-16

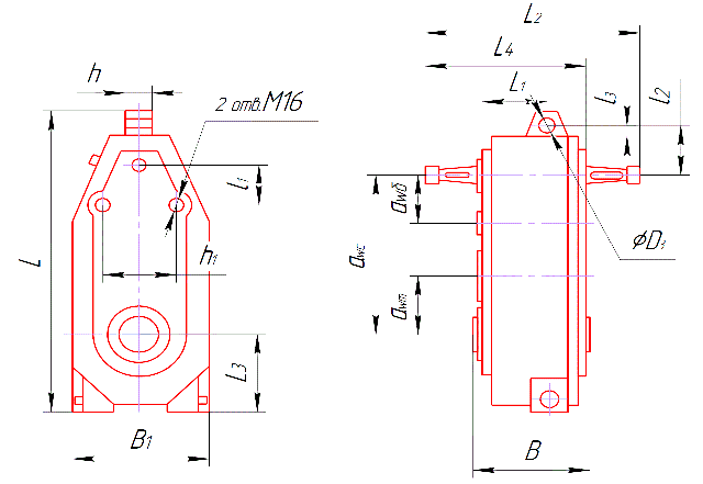
Габаритні та приєднувальні розміри редуктора Ц3ВК-100
| Типорозмір | awS | awT | awb | B | B1 | D3 | L | L1 | L2 | L3 | L4 | I1 | I2 | I3 | h | h1 |
| Ц3ВК-100-16 | 280 | 100 | 80 | 174 | 200 | 18 | 531 | 85 | 297 | 118 | 231 | 170 | 113 | 23 | 40 | 135 |
Варіанти складання Ц3ВК-100-16

Умовне позначення редукторів Ц3ВК-100-16
Редуктор Ц3ВК-100-16
Відгуків про цей товар ще не було.
Немає відгуків про цей товар, станьте першим, залиште свій відгук.
Немає питань про даний товар, станьте першим і задайте своє питання.
