Редуктор Ц3ВК-100-40
Циліндричний редуктор Ц3ВК-100-40
Вертикальний пристрій перетворювального типу – редуктор Ц3ВК-100-40, що добре зарекомендував себе на ринку відповідного обладнання, часто використовується в механізмах вантажопідіймальних кранах і кранових візках, адже здатний видозмінити величини, що надходять, при ККД системи не менше 94%.
Детальну інформацію про редуктори Ц3ВК-100 ви можете дізнатися, замовивши дзвінок до нашого менеджера-консультанта компанії «Промпривод», здатного надати вам професійну допомогу в процесі вибору необхідного обладнання.
Зробивши замовлення у нас, ви купуєте якісний товар вищої якості з гарантією 12 місяців, що діє з моменту покупки. Доставка здійснюється по всій Україні в обумовлений термін. Для постійних клієнтів та оптових покупців діє гнучка система знижок.
Конструкція редуктора Ц3ВК-100-40

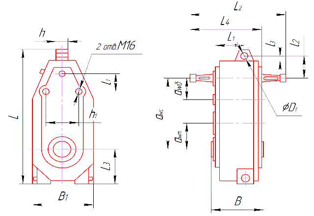
Габаритні та приєднувальні розміри редуктора Ц3ВК-100
| Типорозмір | awS | awT | awb | B | B1 | D3 | L | L1 | L2 | L3 | L4 | I1 | I2 | I3 | h | h1 |
| Ц3ВК-100-40 | 280 | 100 | 80 | 174 | 200 | 18 | 531 | 85 | 297 | 118 | 231 | 170 | 113 | 23 | 40 | 135 |
Варіанти складання Ц3ВК-100-40

Умовне позначення редукторів Ц3ВК-100-40
Редуктор Ц3ВК-100-40
Відгуків про цей товар ще не було.
Немає відгуків про цей товар, станьте першим, залиште свій відгук.
Немає питань про даний товар, станьте першим і задайте своє питання.
