Редуктор Ц3ВК-125-16
Циліндричний редуктор Ц3ВК-125-16
Перетворювальні механізми, що допомагають отримати необхідні для раціональної роботи системи значення моменту та кутової швидкості – редуктори типу Ц3ВК-125-12.5. Вони зайняли широку нішу на ринку перетворювачів завдяки невисокій ціні та відмінним показникам вихідних характеристик.
Редуктори Ц3ВК-125-12.5 виконуються у повній відповідності до державних стандартів і можуть виконуватися у звичайному виконанні, а також з фланцями для найбільш надійного кріплення до поверхні, якщо цього вимагають умови експлуатації.
Компанія «Промпривод», що займається виробництвом та ремонтом редукторів, пропонує послуги з професійного вибору обладнання, яке можуть надати наші консультанти-менеджери. Замовивши дзвінок фахівця, ви зможете підібрати необхідний вид редуктора та придбаєте товар за цінами від виробника зі зручною доставкою у будь-який регіон країни.
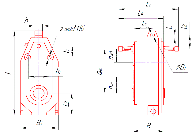
Конструкція редуктора Ц3ВК-125-16

Габаритні та приєднувальні розміри редуктора Ц3ВК-125
| Типорозмір | awS | awT | awb | B | B1 | D3 | L | L1 | L2 | L3 | L4 | I1 | I2 | I3 | h | h1 |
| Ц3ВК-125-16 | 330 | 125 | 80 | 204 | 244 | 18 | 603 | 92 | 326 | 140 | 262 | 185 | 113 | 23 | 40 | 180 |
Варіанти складання Ц3ВК-125-16

Умовне позначення редукторів Ц3ВК-125-16

Редуктор Ц3ВК-125-16
Відгуків про цей товар ще не було.
Немає відгуків про цей товар, станьте першим, залиште свій відгук.
Немає питань про даний товар, станьте першим і задайте своє питання.