Редуктор Ц3ВК-160-10
Циліндричний редуктор Ц3ВК-160-10
Вертикальний циліндричний перетворювач вхідних величин – редуктор Ц3ВК-160-10 використовується у приводних кранових механізмах для коригування моменту кручення та кутової швидкості, які передає електричний двигун.
Паралельне розташування тихохідного, швидкохідного та двох проміжних валів визначає редуктор як триступінчастий. Даний вид механізмів здатний видавати ККД від 94% при порівняно невеликих масі та вартості.
Перевага замовлення редукторів типу Ц3ВК-160 у нашій компанії
Компанія «Промпривод» надає редуктори вищої якості, виготовлені згідно з усіма технічними вимогами з міцних матеріалів з гарантією, що діє з моменту покупки, на 12 місяців.
Персонал нашого підприємства складають виключно спеціалісти своєї галузі, здатні проконсультувати вас або допомогти визначитися з вибором, варто лише замовити на нашому сайті зворотний дзвінок менеджера.
Конструкція редуктора Ц3ВК-160-10

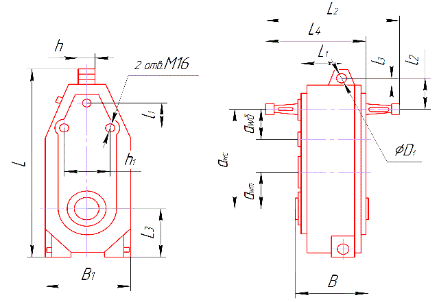
Габаритні та приєднувальні розміри редуктора Ц3ВК-160
| Типорозмір | awS | awT | awb | B | B1 | D3 | L | L1 | L2 | L3 | L4 | I1 | I2 | I3 | h | h1 |
| Ц3ВК-160-10 | 420 | 160 | 100 | 236 | 304 | 22 | 751 | 111 | 356 | 171 | 293 | 215 | 138 | 28 | 50 | 220 |
Варіанти складання Ц3ВК-160-10

Умовне позначення редукторів Ц3ВК-160-10
Редуктор Ц3ВК-160-10
Відгуків про цей товар ще не було.
Немає відгуків про цей товар, станьте першим, залиште свій відгук.
Немає питань про даний товар, станьте першим і задайте своє питання.
