Редуктор Ц3ВК-160-20
Циліндричний редуктор Ц3ВК-160-20
Редуктори Ц3ВК-160-20 відносяться до перетворювачів вхідних високих значень кутових швидкостей. У процесі зменшення швидкості обертання валу відбувається пропорційне збільшення крутіння.
Редуктори даного типу є циліндричним триступінчастими, що складаються з зубчастої передачі, системи підшипників та їх мастила, чотирьох валів і корпусу, що в сукупності при роботі дає хороше значення ККД щодо механізмів відкритих передач.
Перевага замовлення редукторів типу Ц3ВК-160 у нашій компанії
Компанія «Промпривод» надає редуктори вищої якості, виготовлені згідно з усіма технічними вимогами з міцних матеріалів з гарантією, що діє з моменту покупки, на 12 місяців.
Персонал нашого підприємства складають виключно спеціалісти своєї галузі, здатні проконсультувати вас або допомогти визначитися з вибором, варто лише замовити на нашому сайті зворотний дзвінок менеджера.
Конструкція редуктора Ц3ВК-160-20

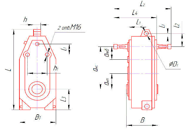
Габаритні та приєднувальні розміри редуктора Ц3ВК-160
| Типорозмір | awS | awT | awb | B | B1 | D3 | L | L1 | L2 | L3 | L4 | I1 | I2 | I3 | h | h1 |
| Ц3ВК-160-20 | 420 | 160 | 100 | 236 | 304 | 22 | 751 | 111 | 356 | 171 | 293 | 215 | 138 | 28 | 50 | 220 |
Варіанти складання Ц3ВК-160-20

Умовне позначення редукторів Ц3ВК-160-20

Редуктор Ц3ВК-160-20
Відгуків про цей товар ще не було.
Немає відгуків про цей товар, станьте першим, залиште свій відгук.
Немає питань про даний товар, станьте першим і задайте своє питання.