Редуктор Ц3ВК-160-50
Циліндричний редуктор Ц3ВК-160-50
Редуктори типу Ц3ВК-160-50 – довговічні та дуже зручні під час використання механізми – встановлюються у вантажопідйомних агрегатах для зміни кутової швидкості, що надходить від двигуна.
Спільно з процесом зменшення цієї швидкості відбувається збільшення обертального моменту, що призводить до появи тих необхідних характеристик, у яких робоче устаткування експлуатується найбільш раціонально.
Перевага замовлення редукторів типу Ц3ВК-160 у нашій компанії
Компанія «Промпривод» надає редуктори вищої якості, виготовлені згідно з усіма технічними вимогами з міцних матеріалів з гарантією, що діє з моменту покупки, на 12 місяців.
Персонал нашого підприємства складають виключно спеціалісти своєї галузі, здатні проконсультувати вас або допомогти визначитися з вибором, варто лише замовити на нашому сайті зворотний дзвінок менеджера.
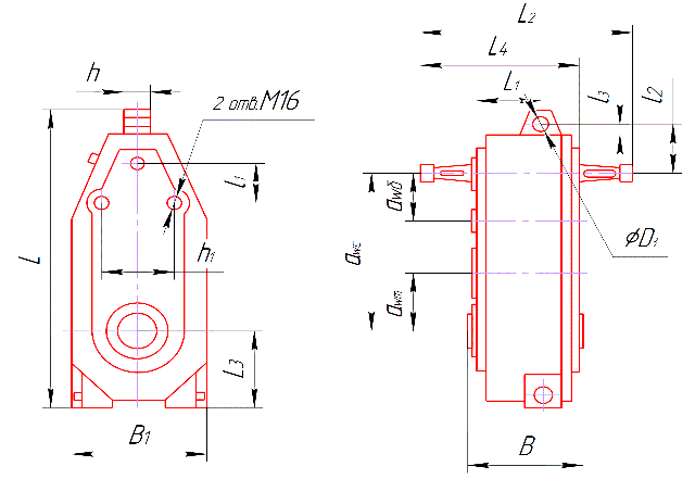
Конструкція редуктора Ц3ВК-160-50

Габаритні та приєднувальні розміри редуктора Ц3ВК-160
| Типорозмір | awS | awT | awb | B | B1 | D3 | L | L1 | L2 | L3 | L4 | I1 | I2 | I3 | h | h1 |
| Ц3ВК-160-50 | 420 | 160 | 100 | 236 | 304 | 22 | 751 | 111 | 356 | 171 | 293 | 215 | 138 | 28 | 50 | 220 |
Варіанти складання Ц3ВК-160-50

Умовне позначення редукторів Ц3ВК-160-50
Редуктор Ц3ВК-160-50
Відгуків про цей товар ще не було.
Немає відгуків про цей товар, станьте першим, залиште свій відгук.
Немає питань про даний товар, станьте першим і задайте своє питання.
