Редуктор Ц3ВК-250-10
Циліндричний редуктор Ц3ВК-250-10
Вертикальні кранові редуктори Ц3ВК-250-10 служать у приводній системі перетворювачем величин, що надходять від електричного двигуна, оптимальні для роботи всієї системи. Вони збільшують значення крутного моменту, що надходить шляхом зменшення величини кутової швидкості. Завдяки уніфікованому пристрою механізму ККД редуктора становить мінімум 94%.
Збільшити термін служби механізмів типу Ц3ВК-250 допоможе їхній компетентний вибір на стадії покупки. Щоб придбати редуктор оптимальних параметрів, ви можете замовити дзвінок спеціаліста компанії «Промпривод», який надасть вам всю необхідну інформацію, швидко та грамотно оформить замовлення та надасть гарантію якості на куплений товар протягом 12 місяців.
Конструкція редуктора Ц3ВК-250-10

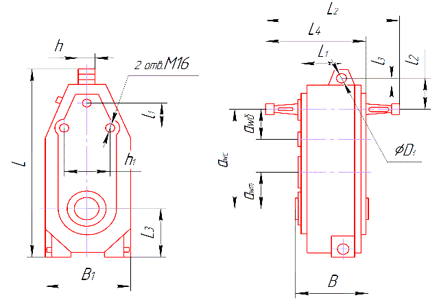
Габаритні та приєднувальні розміри редуктора Ц3ВК-250
| Типорозмір | awS | awT | awb | B | B1 | D3 | L | L1 | L2 | L3 | L4 | I1 | I2 | I3 | h | h1 |
| Ц3ВК-250-10 | 610 | 250 | 160 | 286 | 472 | 30 | 1047 | 126 | 457 | 248 | 360 | 163 | 154 | 38 | 80 | 200 |
Варіанти складання Ц3ВК-250-10

Умовне позначення редукторів Ц3ВК-250-10
Редуктор Ц3ВК-250-10
Відгуків про цей товар ще не було.
Немає відгуків про цей товар, станьте першим, залиште свій відгук.
Немає питань про даний товар, станьте першим і задайте своє питання.
