Редуктор Ц3ВК-250-16
Циліндричний редуктор Ц3ВК-250-16
У багатьох приводних системах вантажопідйомного обладнання як механічний перетворювач величин, що приходять від електричного двигуна, використовуються редуктори типу Ц3ВК-250-16.
Вони мають кілька паралельно розташованих валів, з'єднаних зубчастою циліндричною передачею, що допомагають отримувати на виході відмінні показники коефіцієнта корисної дії не нижче 94%.
Збільшити термін служби механізмів типу Ц3ВК-250 допоможе їхній компетентний вибір на стадії покупки. Щоб придбати редуктор оптимальних параметрів, ви можете замовити дзвінок спеціаліста компанії «Промпривод», який надасть вам всю необхідну інформацію, швидко та грамотно оформить замовлення та надасть гарантію якості на куплений товар протягом 12 місяців.
Конструкція редуктора Ц3ВК-250-16

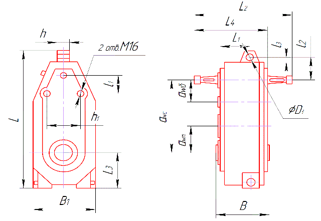
Габаритні та приєднувальні розміри редуктора Ц3ВК-250
| Типорозмір | awS | awT | awb | B | B1 | D3 | L | L1 | L2 | L3 | L4 | I1 | I2 | I3 | h | h1 |
| Ц3ВК-250-16 | 610 | 250 | 160 | 286 | 472 | 30 | 1047 | 126 | 457 | 248 | 360 | 163 | 154 | 38 | 80 | 200 |
Варіанти складання Ц3ВК-250-16

Умовне позначення редукторів Ц3ВК-250-16
Редуктор Ц3ВК-250-16
Відгуків про цей товар ще не було.
Немає відгуків про цей товар, станьте першим, залиште свій відгук.
Немає питань про даний товар, станьте першим і задайте своє питання.
