Редуктор Ц3ВК-250-20
Циліндричний редуктор Ц3ВК-250-20
Для одержання раціональних робочих характеристик у приводах вантажопідіймального обладнання використовуються редуктори Ц3ВК-250-20. Даний вид механізмів відмінно зарекомендував себе як перетворювачі величин, що надходять від електродвигуна.
Редуктори описуваного типу частіше за інші механізми подібного принципу дії використовуються на виробництві через їх невелику вартість і довгий термін служби.
Збільшити термін служби механізмів типу Ц3ВК-250 допоможе їхній компетентний вибір на стадії покупки. Щоб придбати редуктор оптимальних параметрів, ви можете замовити дзвінок спеціаліста компанії «Промпривод», який надасть вам всю необхідну інформацію, швидко та грамотно оформить замовлення та надасть гарантію якості на куплений товар протягом 12 місяців.
Конструкція редуктора Ц3ВК-250-20

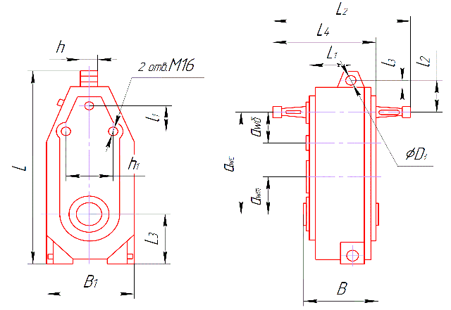
Габаритні та приєднувальні розміри редуктора Ц3ВК-250
| Типорозмір | awS | awT | awb | B | B1 | D3 | L | L1 | L2 | L3 | L4 | I1 | I2 | I3 | h | h1 |
| Ц3ВК-250-20 | 610 | 250 | 160 | 286 | 472 | 30 | 1047 | 126 | 457 | 248 | 360 | 163 | 154 | 38 | 80 | 200 |
Варіанти складання Ц3ВК-250-20

Умовне позначення редукторів Ц3ВК-250-20
Редуктор Ц3ВК-250-20
Відгуків про цей товар ще не було.
Немає відгуків про цей товар, станьте першим, залиште свій відгук.
Немає питань про даний товар, станьте першим і задайте своє питання.
