Редуктор Ц3ВК-250-50
Циліндричний редуктор Ц3ВК-250-50
Багато виробничих процесів вимагають застосування вантажопідіймального обладнання, для якого, у свою чергу, використовуються приводні системи. Частиною останньої стають вертикальні кранові редуктори Ц3ВК-250-50. Встановлюють їх з метою отримання раціональних показників кутової швидкості та моменту, що крутить, для їх подальшого використання при роботі виконавчого органу.
Редуктори даного типу мають високий показник ККД і порівняно невисоку вартість, тому стають вкрай поширеним типом перетворювачів, що використовуються на виробництвах з метою.
Збільшити термін служби механізмів типу Ц3ВК-250 допоможе їхній компетентний вибір на стадії покупки. Щоб придбати редуктор оптимальних параметрів, ви можете замовити дзвінок спеціаліста компанії «Промпривод», який надасть вам всю необхідну інформацію, швидко та грамотно оформить замовлення та надасть гарантію якості на куплений товар протягом 12 місяців.
Конструкція редуктора Ц3ВК-250-50

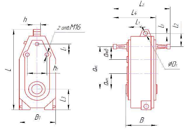
Габаритні та приєднувальні розміри редуктора Ц3ВК-250
| Типорозмір | awS | awT | awb | B | B1 | D3 | L | L1 | L2 | L3 | L4 | I1 | I2 | I3 | h | h1 |
| Ц3ВК-250-50 | 610 | 250 | 160 | 286 | 472 | 30 | 1047 | 126 | 457 | 248 | 360 | 163 | 154 | 38 | 80 | 200 |
Варіанти складання Ц3ВК-250-50

Умовне позначення редукторів Ц3ВК-250-50
Редуктор Ц3ВК-250-50
Відгуків про цей товар ще не було.
Немає відгуків про цей товар, станьте першим, залиште свій відгук.
Немає питань про даний товар, станьте першим і задайте своє питання.
