Редуктор Ц3ВК-250-63
Циліндричний редуктор Ц3ВК-250-63
На виробництвах дуже поширені приводні системи, частиною яких стають редуктори типу Ц3ВК-250-63, що виконують роль перетворювачів механічної величини - кутової швидкості обертання ротора двигуна, що передається на швидкохідний вал редуктора.
Він допомагає зменшити цю швидкість, паралельно та пропорційно збільшуючи величину моменту обертання, що призводить до отримання більш раціональних характеристик, з якими працює виконавчий орган.
Збільшити термін служби механізмів типу Ц3ВК-250 допоможе їхній компетентний вибір на стадії покупки. Щоб придбати редуктор оптимальних параметрів, ви можете замовити дзвінок спеціаліста компанії «Промпривод», який надасть вам всю необхідну інформацію, швидко та грамотно оформить замовлення та надасть гарантію якості на куплений товар протягом 12 місяців.
Конструкція редуктора Ц3ВК-250-63

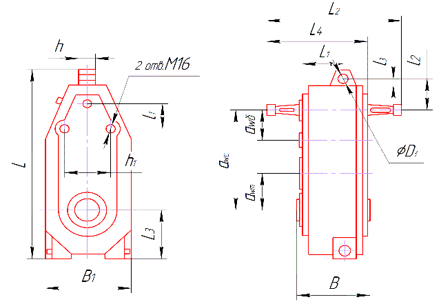
Габаритні та приєднувальні розміри редуктора Ц3ВК-250
| Типорозмір | awS | awT | awb | B | B1 | D3 | L | L1 | L2 | L3 | L4 | I1 | I2 | I3 | h | h1 |
| Ц3ВК-250-63 | 610 | 250 | 160 | 286 | 472 | 30 | 1047 | 126 | 457 | 248 | 360 | 163 | 154 | 38 | 80 | 200 |
Варіанти складання Ц3ВК-250-63

Умовне позначення редукторів Ц3ВК-250-63

Редуктор Ц3ВК-250-63
Відгуків про цей товар ще не було.
Немає відгуків про цей товар, станьте першим, залиште свій відгук.
Немає питань про даний товар, станьте першим і задайте своє питання.