Редуктор Ц3ВК-250-80
Циліндричний редуктор Ц3ВК-250-80
Циліндричний вертикальний редуктор типу Ц3ВК-250-80 відноситься до одним з найпоширеніших видів перетворювачів частоти обертання та крутного моменту на виробництві.
Його використовують як складову частину приводів вантажопідйомного обладнання через особливості конструкції: можливості вертикального кріплення до поверхні або під невеликим кутом, що особливо зручно для кранових механізмів.
Збільшити термін служби механізмів типу Ц3ВК-250 допоможе їхній компетентний вибір на стадії покупки. Щоб придбати редуктор оптимальних параметрів, ви можете замовити дзвінок спеціаліста компанії «Промпривод», який надасть вам всю необхідну інформацію, швидко та грамотно оформить замовлення та надасть гарантію якості на куплений товар протягом 12 місяців.
Конструкція редуктора Ц3ВК-250-80

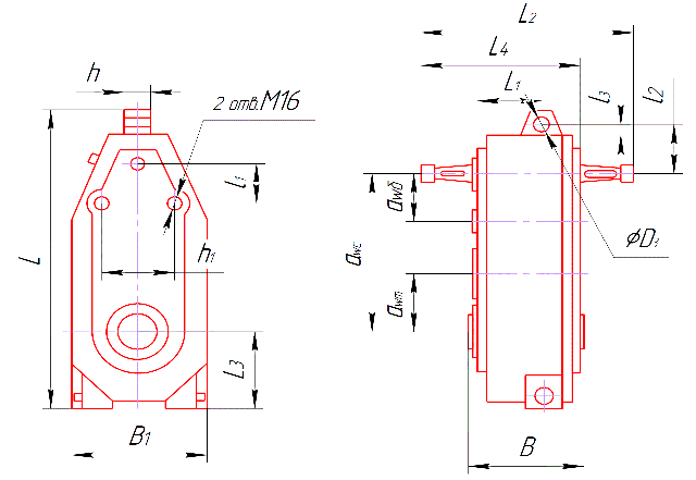
Габаритні та приєднувальні розміри редуктора Ц3ВК-250
| Типорозмір | awS | awT | awb | B | B1 | D3 | L | L1 | L2 | L3 | L4 | I1 | I2 | I3 | h | h1 |
| Ц3ВК-250-80 | 610 | 250 | 160 | 286 | 472 | 30 | 1047 | 126 | 457 | 248 | 360 | 163 | 154 | 38 | 80 | 200 |
Варіанти складання Ц3ВК-250-80

Умовне позначення редукторів Ц3ВК-250-80
Редуктор Ц3ВК-250-80
Відгуків про цей товар ще не було.
Немає відгуків про цей товар, станьте першим, залиште свій відгук.
Немає питань про даний товар, станьте першим і задайте своє питання.
