Редуктор ЦДН-630-10
Редуктор ЦДН-630-10
Циліндричний горизонтальний редуктор ЦДН-630-10 застосовується в конструкціях транспортувальних стрічок для пересування важких вантажів, а також в інших пристроях, схожих за принципом дії. Головним завданням цього редуктора є зміна значення крутного моменту та числа обертів. У механізмі ЦДН-630-10 використовується зачеплення Нововикова.
Двоступеневий редуктор ЦДН-630-10 може працювати тривалий період без зупинок, в одному напрямку або реверсному з різними типами навантаження (постійної або змінної). Не рекомендується використовувати цей редуктор у вибуховому й агресивному середовищі. Він є простим у застосуванні, а у разі правильної експлуатації надійним і довговічним.
Купити редуктор ЦДН-630-10 можна в нас на сайті, оформивши онлайн замовлення, помістивши заявку на пошту, або зателефонувавши за вказаною номером. Наші фахівці підкажуть і проконсультують Вас.
Купуючи в нас, Ви отримуєте низку переваг, це:
• чудова якість товару,
• оригінальний паспорт,
• гарантія 36 місяців,
• доставка в будь-яку точку України за короткий термін.
Габаритні та приєднувальні розміри редукторів ЦДН-630-10

| AWT | Awб | A | A1 | B | H | H1 | L | L1 | L2 | L3 | L4 | L5 | |
| i=8…25 | i=28…50 | ||||||||||||
| 630 | 400 | 1770 | 540 | 650 | 1225 | 630 | 1935 | 1920 | 575 | 657 | 610 | 570 | 760 |
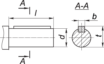
Розміри циліндричного вала редуктора ЦДН-630-10

| Передатне число | вхідний вал | вихідний вал | ||||||
| d | l | b | t | d | l | b | t | |
| 8…25 | 110 | 210 | 28 | 116 | 220 | 350 | 50 | 231 |
Нижче наведені варіанти збирання циліндричного двоступеневого редуктора ЦДН-630-10

Таблиця параметрів редуктора ЦДН-630-10
| Передатне число | Момент кручення на виході, Нм | Швидкість обертання вхідного вала (об/хв) | Навантаження, що діє на вал, Н | Вага редуктора, кг | |
| Вхідний вал | Циліндричний вихідний вал | 3691 | |||
| 8…10 | 71000 | 750 | 10000 | 66500 | |
Редуктор ЦДН-630-10
Відгуків про цей товар ще не було.
Немає відгуків про цей товар, станьте першим, залиште свій відгук.
Немає питань про даний товар, станьте першим і задайте своє питання.