Редуктор ЦДН-630-12,5
Редуктор ЦДН-630-12,5
Двоступеневий горизонтальний редуктор ЦДН-630-12,5 є пристроєм для зміни параметрів крутного моменту та числа обертів різних механізмів. Його застосовують у конструкціях стрічкових конвеєрів для важких вантажів. У конструкції редуктора використовують зачіплення Новекова, що зменшує шум під час роботи та дає можливість збільшення навантажень.
Циліндричний редуктор ЦДН-630-12,5 має низку особливостей для використання:
можливість експлуатації в кліматичних умовах У, Т, ОТ і УХЛ (ГОСТ 15150), за температури довкілля від -40 до +50 градусів Цельсія,
робота без перерви цілу добу або з періодичними зупинками в однобічному або реверсному режимі обертання валів,
використання за постійних або змінних навантажень,
вхідна швидкість не має перевищувати 1500 об/хв.
Редуктор ЦДН-630-12,5 дуже простий у застосуванні. У разі правильного експлуатування та своєчасного ТО він має великий термін експлуатації та є надійним механізмом.
Купити цей редуктор ЦДН-630-12,5 можна в нас за ціною виробника. Варто лише оформити замовлення онлайн або відправити заявку на нашу пошту. Якщо у Вас виникли питання, можете зателефонувати за зазначеною на сайті номером і наші фахівці із задоволенням дадуть на них відповідь.
Купуючи товар у нас, Ви отримуєте гарантію якості. До кожного редуктора додається паспорт і гарантія на 36 місяців.
Доставка товару виробляється всією Україною, у найкоротші терміни.
Габаритні та приєднувальні розміри редукторів ЦДН-630-12,5

| AWT | Awб | A | A1 | B | H | H1 | L | L1 | L2 | L3 | L4 | L5 | |
| i=8 25 | i=28 50 | ||||||||||||
| 630 | 400 | 1770 | 540 | 650 | 1225 | 630 | 1935 | 1920 | 575 | 657 | 610 | 570 | 760 |
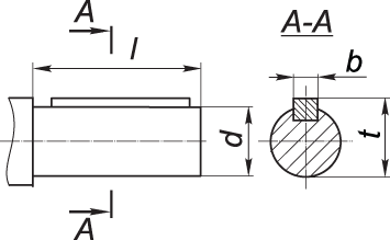
Розміри циліндричного вала редуктора ЦДН-630-12,5

| Передатне число | вхідний вал | вихідний вал | ||||||
| d | l | b | t | d | l | b | t | |
| 8 25 | 110 | 210 | 28 | 116 | 220 | 350 | 50 | 231 |
Нижче наведені варіанти збирання циліндричного двоступеневого редуктора ЦДН-630-12,5

Таблиця параметрів редуктора ЦДН-630-12,5
| Передатне число | Момент кручення на виході, Нм | Швидкість обертання вхідного вала (об/хв) | Навантаження, що діє на вал, Н | Вага редуктора, кг | |
| Вхідний вал | Циліндричний вихідний вал | 3691 | |||
| 11.2 16 | 71000 | 1000 | 8000 | 66500 | |
Редуктор ЦДН-630-12,5
Відгуків про цей товар ще не було.
Немає відгуків про цей товар, станьте першим, залиште свій відгук.
Немає питань про даний товар, станьте першим і задайте своє питання.