Редуктор ЦДН-630-16
Редуктор ЦДН-630-16
Редуктор ЦДН-630-16 є двоступеневим горизонтальним пристроєм із циліндричним типом передавання й паралельним розташуванням осей. У його конструкції використовують зачіплення Новікова. Цей редуктор застосовують у конструкціях транспортерних стрічок та подібних установках. Основне завдання ЦДН-630-16 це зміна числа обертів і крутного моменту електродвигунів та інших пристроїв.
Циліндричний редуктор ЦДН-630-16 має свої умови для застосування, це:
середовище експлуатації має відповідати кліматичному виконанню У, Т, О і УХЛ, згідно з ГОСТом-15150,
можливість працювати до 24 годин як без зупинок, так і з паузами, у разі постійних і змінних навантажень,
обертання валів здійснюється в будь-якому напрямку,
швидкість на вхідний вал не має бути більш ніж 1500 обертів за хвилину.
Для збільшення терміну експлуатації не рекомендується використовувати цей редуктор в агресивному середовищі, а для безпеки в вибухобезпечному.
Купити цей редуктор ЦДН-630-16 можна в нас за ціною виробника. Варто лише оформити замовлення онлайн або відправити заявку на нашу пошту. Якщо у Вас виникли питання, телефонуйте за вказаною на сайті номером і наші фахівці із задоволенням дадуть на них відповідь.
Купуючи товар у нас, Ви отримуєте гарантію якості. До кожного редуктора додається паспорт і гарантія на 36 місяців.
Доставка товару виробляється всією Україною, у найкоротші терміни.
Габаритні та приєднувальні розміри редукторів ЦДН-630-16

| AWT | Awб | A | A1 | B | H | H1 | L | L1 | L2 | L3 | L4 | L5 | |
| i=8 25 | i=28 50 | ||||||||||||
| 630 | 400 | 1770 | 540 | 650 | 1225 | 630 | 1935 | 1920 | 575 | 657 | 610 | 570 | 760 |
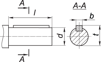
Розміри циліндричного вала редуктора ЦДН-630-16

| Передатне число | вхідний вал | вихідний вал | ||||||
| d | l | b | t | d | l | b | t | |
| 8 25 | 110 | 210 | 28 | 116 | 220 | 350 | 50 | 231 |
Нижче наведені варіанти збирання циліндричного двоступеневого редуктора ЦДН-630-16

Таблиця параметрів редуктора ЦДН-630-16
| Передатне число | Момент кручення на виході, Нм | Швидкість обертання вхідного вала (об/хв) | Навантаження, що діє на вал, Н | Вага редуктора, кг | |
| Вхідний вал | Циліндричний вихідний вал | 3691 | |||
| 11.2 16 | 71000 | 1000 | 8000 | 66500 | |
Редуктор ЦДН-630-16
Відгуків про цей товар ще не було.
Немає відгуків про цей товар, станьте першим, залиште свій відгук.
Немає питань про даний товар, станьте першим і задайте своє питання.