Редуктор ЦДН-630-20
Редуктор ЦДН-630-20
Двоступеневий редуктор ЦДН-630-20 застосовують у конструкціях стрічкових конвеєрів. Його завданням є зміна параметрів крутного моменту та числа обертів електродвигунів. У механізмі редуктора використовується зачіплення Новакова, що дає йому низку переваг. ЦДН-630-20 має циліндричний тип передавання з паралельним розташуванням осей.
Редуктор ЦДН-630-20 може експлуатуватися в кліматичних умовах У, Т, О, УХЛ, згідно з ГОСТ-15150, під час запиленості не більш ніж 10 мг/м3. Працювати може як у довгостроковому безперервному режимі, так і з зупинками, у разі різних типів навантажень.
Конструкція редуктора дуже надійна, а сам редуктор простий в експлуатації.
Купить редуктор ЦДН-630-20 можна в нас на сайті, оформивши онлайн замовлення, помістивши заявку на пошту, або зателефонувавши за вказаною номером. Наші фахівці підкажуть і проконсультують Вас
.
Купуючи в нас, Ви отримуєте низку переваг, це:
чудова якість товару,
оригінальний паспорт,
гарантія 36 місяців,
доставка в будь-яку точку України за короткий термін.
Габаритні та приєднувальні розміри редукторів ЦДН-630-20

| AWT | Awб | A | A1 | B | H | H1 | L | L1 | L2 | L3 | L4 | L5 | |
| i=8 25 | i=28 50 | ||||||||||||
| 630 | 400 | 1770 | 540 | 650 | 1225 | 630 | 1935 | 1920 | 575 | 657 | 610 | 570 | 760 |
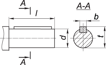
Розміри циліндричного вала редуктора ЦДН-630-20

| Передатне число | вхідний вал | вихідний вал | ||||||
| d | l | b | t | d | l | b | t | |
| 8 25 | 110 | 210 | 28 | 116 | 220 | 350 | 50 | 231 |
Нижче наведені варіанти збирання циліндричного двоступеневого редуктора ЦДН-630-20

Таблиця параметрів редуктора ЦДН-630-20
| Передатне число | Момент кручення на виході, Нм | Швидкість обертання вхідного вала (об/хв) | Навантаження, що діє на вал, Н | Вага редуктора, кг | |
| Вхідний вал | Циліндричний вихідний вал | 3691 | |||
| 18 25 | 75000 | 1000 | 6200 | 68500 | |
Редуктор ЦДН-630-20
Відгуків про цей товар ще не було.
Немає відгуків про цей товар, станьте першим, залиште свій відгук.
Немає питань про даний товар, станьте першим і задайте своє питання.