Редуктор ЦДН-630-25
Редуктор ЦДН-630-25
Горизонтальний двоступеневий редуктор ЦДН-630-25 є незамінним механізмом конструкції стрічкових транспортерів для важких матеріалів. Він має циліндричний тип передавання із застосуванням зачеплення Новакова. Головним завданням цього редуктора є зміна крутного моменту та числа обертів пристроїв.
Редуктор циліндричний ЦДН-630-25 експлуатують за таких умов:
клімат має відповідати умовам У, Т, О і УХЛ, за максимальної запиленості повітря, що не перевищує 10 мг/м3,
розташування має бути горизонтальним,
робоче середовище застосування є не агресивним.
ЦДН-630-25 має можливість працювати в безперервному режимі з різними типами навантаження тривалий час, водночас обертання валів може бути в один бік або реверсне.
Купити цей редуктор ЦДН-630-25 можна в нас за ціною від виробника. Варто лише оформити замовлення онлайн або відправити заявку на нашу пошту. Якщо у Вас виникли питання, можете зателефонувати за вказаною на сайті номером: наші фахівці із задоволенням дадуть на них відповідь.
Купуючи товар у нас, Ви отримуєте гарантію якості. До кожного редуктора додається паспорт і гарантія на 36 місяців.
Доставка товару виробляється всією Україною в найкоротші терміни.
Габаритні та приєднувальні розміри редукторів ЦДН-630-25

| AWT | Awб | A | A1 | B | H | H1 | L | L1 | L2 | L3 | L4 | L5 | |
| i=8 25 | i=28 50 | ||||||||||||
| 630 | 400 | 1770 | 540 | 650 | 1225 | 630 | 1935 | 1920 | 575 | 657 | 610 | 570 | 760 |
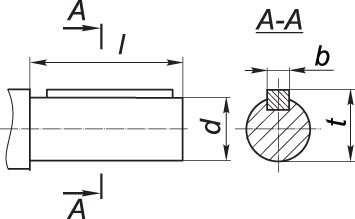
Розміри циліндричного вала редуктора ЦДН-630-25

| Передатне число | вхідний вал | вихідний вал | ||||||
| d | l | b | t | d | l | b | t | |
| 8 25 | 110 | 210 | 28 | 116 | 220 | 350 | 50 | 231 |
Нижче наведені варіанти збирання циліндричного двоступеневого редуктора ЦДН-630-25

Таблиця параметрів редуктора ЦДН-630-25
| Передатне число | Момент кручення на виході, Нм | Швидкість обертання вхідного вала (об/хв) | Навантаження, що діє на вал, Н | Вага редуктора, кг | |
| Вхідний вал | Циліндричний вихідний вал | 3691 | |||
| 18 25 | 75000 | 1000 | 6200 | 68500 | |
Редуктор ЦДН-630-25
Відгуків про цей товар ще не було.
Немає відгуків про цей товар, станьте першим, залиште свій відгук.
Немає питань про даний товар, станьте першим і задайте своє питання.