Редуктор ЦДН-630-31,5
Редуктор ЦДН-630-31,5
Горизонтальні редуктори ЦДН-630-31,5 використовують у своїй конструкції зачіплення Новікова, що дає йому низку додаткових переваг. Це тихіша робота редуктора, можливість збільшити навантаження на нього, а також маленька чутливість до перекосів зубчастих коліс. ЦДН-630-31,5 також має паралельне розташування осей із циліндричним типом передавання.
Редуктор ЦДН-630-31,5 може експлуатуватися тривалий час без зупинок, з обертанням валів в одному напрямку або реверсном за різних типів навантаження (постійної та змінної). Запиленість повітря в середовищі використання пристрою не має перевищувати позначки 10 мг/м3.
Купити редуктор можна в нас на сайті, оформивши онлайн-замовлення, відправивши заявку на пошту або зателефонувавши за цим номером. Наші фахівці підкажуть і проконсультують Вас.
Купуючи в нас, Ви отримуєте низку переваг, це:
• чудова якість товару,
• оригінальний паспорт,
• гарантія 36 місяців,
• доставка в будь-яку точку України за короткий термін.
Габаритні та приєднувальні розміри редукторів ЦДН-630-31,5

| AWT | Awб | A | A1 | B | H | H1 | L | L1 | L2 | L3 | L4 | L5 | |
| i=8…25 | i=28…50 | ||||||||||||
| 630 | 400 | 1770 | 540 | 650 | 1225 | 630 | 1935 | 1920 | 575 | 657 | 610 | 570 | 760 |
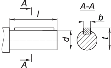
Розміри циліндричного вала редуктора ЦДН-630-31,5

| Передатне число | вхідний вал | вихідний вал | ||||||
| d | l | b | t | d | l | b | t | |
| 28…50 | 80 | 170 | 22 | 85 | 220 | 350 | 50 | 231 |
Нижче наведені варіанти збирання циліндричного двоступеневого редуктора ЦДН-630-31,5

Таблиця параметрів редуктора ЦДН-630-31,5
| Передатне число | Момент кручення на виході, Нм | Швидкість обертання вхідного вала (об/хв) | Навантаження, що діє на вал, Н | Вага редуктора, кг | |
| Вхідний вал | Циліндричний вихідний вал | 3691 | |||
| 28…45 | 75000 | 1500 | 5200 | 68500 | |
Редуктор ЦДН-630-31,5
Відгуків про цей товар ще не було.
Немає відгуків про цей товар, станьте першим, залиште свій відгук.
Немає питань про даний товар, станьте першим і задайте своє питання.