Редуктор ЦДН-630-40
Редуктор ЦДН-630-40
Головним і основним завданням горизонтального редуктора ЦДН-630-40 є зміна параметрів крутного моменту та швидкості обертання різних пристроїв, наприклад, як-от електродвигун. Редуктор застосовують у конструкціях транспортувальних стрічок для переміщення важких і об'ємних матеріалів.
Циліндричний редуктор ЦДН-630-40 має низку переваг, як-от:
• робота в тривалому режимі, а також із паузами,
• вали під час роботи можуть обертатися в одному напрямку або реверсному, у разі постійного та мінливого навантаження,
• простота в застосуванні,
• надійність конструкції.
Клімат для експлуатування має відповідати умовам У, Т (для категорії 1-3) і О, УХЛ (для категорії 4), згідно з ГОСТ-15150. Запиленість довкілля не має перевищувати 10 мг/м3.
Купити цей редуктор ЦДН-630-40 можна в нас за ціною від виробника. Варто лише оформити замовлення онлайн або відправити заявку на нашу пошту. Якщо у Вас виникли питання, можете зателефонувати за вказаною на сайті номером: наші фахівці із задоволенням дадуть на них відповідь.
Купуючи товар у нас, Ви отримуєте гарантію якості. До кожного редуктора додається паспорт і гарантія на 36 місяців.
Доставка товару виробляється всією Україною, у найкоротші терміни.
Габаритні та приєднувальні розміри редукторів ЦДН-630-40

| AWT | Awб | A | A1 | B | H | H1 | L | L1 | L2 | L3 | L4 | L5 | |
| i=8…25 | i=28…50 | ||||||||||||
| 630 | 400 | 1770 | 540 | 650 | 1225 | 630 | 1935 | 1920 | 575 | 657 | 610 | 570 | 760 |
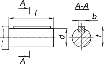
Розміри циліндричного вала редуктора ЦДН-630-40

| Передатне число | вхідний вал | вихідний вал | ||||||
| d | l | b | t | d | l | b | t | |
| 28…50 | 80 | 170 | 22 | 85 | 220 | 350 | 50 | 231 |
Нижче наведені варіанти збирання циліндричного двоступеневого редуктора ЦДН-630-40

Таблиця параметрів редуктора ЦДН-630-40
| Передатне число | Момент кручення на виході, Нм | Швидкість обертання вхідного вала (об/хв) | Навантаження, що діє на вал, Н | Вага редуктора, кг | |
| Вхідний вал | Циліндричний вихідний вал | 3691 | |||
| 28…45 | 75000 | 1500 | 5200 | 68500 | |
Редуктор ЦДН-630-40
Відгуків про цей товар ще не було.
Немає відгуків про цей товар, станьте першим, залиште свій відгук.
Немає питань про даний товар, станьте першим і задайте своє питання.