Редуктор ЦДН-630-50
Редуктор ЦДН-630-50
Циліндричний редуктор ЦДН-630-50 це надійний, довговічний і простий у використанні механізм. Він використовується в конструкціях стрічкових транспортерів для зміни крутного моменту та числа обертів електродвигунів. Також може застосовуватися й в інших, схожих за тематикою конструкціях.
Виконувати свою роботу редуктор ЦДН-630-50 може цілу добу без перерви. Обертання валів може відбуватися в одному напрямку або реверсному, водночас навантаження може бути будь-якого типу (постійне або змінне). Максимальна швидкість на вхідний вал допускається не вище ніж 1500 об/хв.
Експлуатувати можна в різних кліматичних умовах із запиленістю довкілля не більш ніж 10 мг/м3.
Купити редуктор ЦДН-630-50 можна в нас на сайті, оформивши онлайн замовлення, помістивши заявку на пошту, або зателефонувавши за вказаною номером. Наші фахівці підкажуть і проконсультують Вас.
Купуючи в нас, Ви отримуєте низку переваг, це:
чудова якість товару,
оригінальний паспорт,
гарантія 36 місяців,
доставка в будь-яку точку України за короткий термін.
Габаритні та приєднувальні розміри редукторів ЦДН-630-50

| AWT | Awб | A | A1 | B | H | H1 | L | L1 | L2 | L3 | L4 | L5 | |
| i=8 25 | i=28 50 | ||||||||||||
| 630 | 400 | 1770 | 540 | 650 | 1225 | 630 | 1935 | 1920 | 575 | 657 | 610 | 570 | 760 |
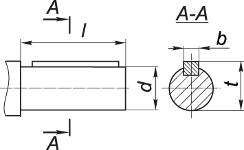
Розміри циліндричного вала редуктора ЦДН-630-50

| Передатне число | вхідний вал | вихідний вал | ||||||
| d | l | b | t | d | l | b | t | |
| 28 50 | 80 | 170 | 22 | 85 | 220 | 350 | 50 | 231 |
Нижче наведені варіанти збирання циліндричного двоступеневого редуктора ЦДН-630-50

Таблиця параметрів редуктора ЦДН-630-50
| Передатне число | Момент кручення на виході, Нм | Швидкість обертання вхідного вала (об/хв) | Навантаження, що діє на вал, Н | Вага редуктора, кг | |
| Вхідний вал | Циліндричний вихідний вал | 3691 | |||
| 50 | 71000 | 1500 | 4800 | 66500 | |
Редуктор ЦДН-630-50
Відгуків про цей товар ще не було.
Немає відгуків про цей товар, станьте першим, залиште свій відгук.
Немає питань про даний товар, станьте першим і задайте своє питання.