Редуктор ЦДН-630-8
Редуктор ЦДН-630-8
Горизонтальний двоступеневий редуктор ЦДН-630-8 — це пристрій для зміни крутного моменту та числа обертів різних механізмів. Має циліндричний тип передавання з паралельним розташуванням осей. У його конструкції використовуються зачіплення Новікова, яке так само дає низку переваг. Використовують ЦДН-630 у приводах транспортерних стрічок для важких матеріалів або в подібних установках.
Редуктор ЦДН-630-8 має низку умов для роботи:
• обертання валів відбувається в будь-якому напрямку, у разі різного типу навантажень,
• можливе тривале експлуатування без зупинок або з періодичними паузами,
• вхідна швидкість на вал не має перевищувати 1500 обертів/хв,
• використання в кліматичному середовищі У і Т (для категорій 1-3) і О і УХЛ (для категорії 4), згідно з ГОСТ-15150.
Редуктор ЦДН-630-8 є надійним і простим в експлуатації пристроєм.
Купити цей редуктор ЦДН-630-8 можна в нас за ціною виробника. Варто лише оформити замовлення онлайн або відправити заявку на нашу пошту. Якщо у Вас виникли питання, можете зателефонувати за зазначеною на сайті номером і наші фахівці із задоволенням дадуть на них відповідь.
Купуючи товар у нашій компанії, Ви отримуєте гарантію якості. До кожного редуктора додається паспорт і гарантія на 36 місяців.
Доставка товару виробляється всією Україною в найкоротші терміни.
Габаритні та приєднувальні розміри редукторів ЦДН-630-8

| AWT | Awб | A | A1 | B | H | H1 | L | L1 | L2 | L3 | L4 | L5 | |
| i=8…25 | i=28…50 | ||||||||||||
| 630 | 400 | 1770 | 540 | 650 | 1225 | 630 | 1935 | 1920 | 575 | 657 | 610 | 570 | 760 |
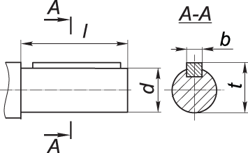
Розміри циліндричного вала редуктора ЦДН-630-8

| Передатне число | вхідний вал | вихідний вал | ||||||
| d | l | b | t | d | l | b | t | |
| 8…25 | 110 | 210 | 28 | 116 | 220 | 350 | 50 | 231 |
Нижче наведені варіанти збирання циліндричного двоступеневого редуктора ЦДН-630-8

Таблиця параметрів редуктора ЦДН-630-8
| Передатне число | Момент кручення на виході, Нм | Швидкість обертання вхідного вала (об/хв) | Навантаження, що діє на вал, Н | Вага редуктора, кг | |
| Вхідний вал | Циліндричний вихідний вал | 3691 | |||
| 8…10 | 71000 | 750 | 10000 | 66500 | |
Редуктор ЦДН-630-8
Відгуків про цей товар ще не було.
Немає відгуків про цей товар, станьте першим, залиште свій відгук.
Немає питань про даний товар, станьте першим і задайте своє питання.