Редуктор ЦДН-710-10
Редуктор ЦДН-710-10
Горизонтальний редуктор ЦДН-710-10 є невіддільною частиною конструкцій стрічкових транспортерів. Його призначення — зміна крутного моменту та числа обертів різних установок. У виконанні цього редуктора застосований метод зачеплення Новакова, який дає змогу збільшити навантаження на редуктор, а також є тихішим у роботі.
Редуктор циліндричний ЦДН-710-10 має низку умов для його застосування:
• швидкість на вхідний вал не має перевищувати 1500 об/хвилину,
• допускається запиленість робочого середовища до 10 мг/м3,
• експлуатація в кліматичних умовах У, Т, О, УХЛ, згідно з ГОСТом 15150.
ЦДН-710-10 може працювати по 24 години на добу без зупинки. Він надійний і простий у застосуванні. Має дуже високий показник ККД.
Купити редуктор цієї моделі можна в нас. Ми гарантуємо якість товару, а також надаємо всі наші товари за ціною від виробника. До кожного пристрою в комплекті йде оригінальний паспорт із позначками ОТК і гарантія на 36 місяців.
Доставка по Україні, у будь-яку точку, будь-яким зручним для Вас способом у найкоротші терміни.
Габаритні та приєднувальні розміри редукторів ЦДН-710-10

| AWT | Awб | A | A1 | B | H | H1 | L | L1 | L2 | L3 | L4 | L5 | |
| i=8…25 | i=28…50 | ||||||||||||
| 710 | 450 | 2010 | 600 | 740 | 1390 | 710 | 2175 | 2160 | 660 | 742 | 660 | 620 | 870 |
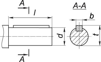
Розміри циліндричного вала редуктора ЦДН-710-10

| Передатне число | вхідний вал | вихідний вал | ||||||
| d | l | b | t | d | l | b | t | |
| 8…25 | 125 | 210 | 32 | 132 | 250 | 410 | 56 | 262 |
Нижче наведені варіанти збирання циліндричного двоступеневого редуктора ЦДН-710-10

Таблиця параметрів редуктора ЦДН-710-10
| Передатне число | Момент кручення на виході, Нм | Швидкість обертання вхідного вала (об/хв) | Навантаження, що діє на вал, Н | Вага редуктора, кг | |
| Вхідний вал | Циліндричний вихідний вал | 4920 | |||
| 8…11.2 | 100000 | 750 | 13000 | 79000 | |
Редуктор ЦДН-710-10
Відгуків про цей товар ще не було.
Немає відгуків про цей товар, станьте першим, залиште свій відгук.
Немає питань про даний товар, станьте першим і задайте своє питання.