Редуктор ЦДН-710-16
Редуктор ЦДН-710-16
Циліндричний двоступеневий редуктор ЦДН-710-16, з паралельним розташуванням осей, застосовується в пристроях стрічкових транспортерів. Його завданням є зміна показників крутного моменту та числа обертів механізмів.
У конструкції ЦДН-710-16 використовується зачеплення Новікова, що сприяє збільшенню навантаження. Працювати редуктор може без зупинки в тривалому режимі. Також має низку умов для застосування, це:
експлуатація в кліматичних умовах У, Т (для категорії 1-3) і О, УХЛ (для категорії 4), згідно з ГОСТ-15150,
вхідна швидкість не має бути більш ніж 1500 об/хв,
використання в неагресивному середовищі.
ЦДН-710-16 є довговічним, надійним і простим у використанні пристроєм.
Купити редуктор цієї моделі можна в нас. Ми гарантуємо якість товару, а також надаємо всі наші товари за ціною від виробника. До кожного пристрою в комплекті йде оригінальний паспорт із позначками ОТК і гарантія на 36 місяців.
Доставка по Україні, у будь-яку точку, будь-яким зручним для Вас способом у найкоротші терміни.
Габаритні та приєднувальні розміри редукторів ЦДН-710-16

| AWT | Awб | A | A1 | B | H | H1 | L | L1 | L2 | L3 | L4 | L5 | |
| i=8 25 | i=28 50 | ||||||||||||
| 710 | 450 | 2010 | 600 | 740 | 1390 | 710 | 2175 | 2160 | 660 | 742 | 660 | 620 | 870 |
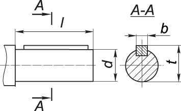
Розміри циліндричного вала редуктора ЦДН-710-16

| Передатне число | вхідний вал | вихідний вал | ||||||
| d | l | b | t | d | l | b | t | |
| 8 25 | 125 | 210 | 32 | 132 | 250 | 410 | 56 | 262 |
Нижче наведені варіанти збирання циліндричного двоступеневого редуктора ЦДН-710-16

Таблиця параметрів редуктора ЦДН-710-16
| Передатне число | Момент кручення на виході, Нм | Швидкість обертання вхідного вала (об/хв) | Навантаження, що діє на вал, Н | Вага редуктора, кг | |
| Вхідний вал | Циліндричний вихідний вал | 4920 | |||
| 12 18 | 100000 | 1000 | 10000 | 79000 | |
Редуктор ЦДН-710-16
Відгуків про цей товар ще не було.
Немає відгуків про цей товар, станьте першим, залиште свій відгук.
Немає питань про даний товар, станьте першим і задайте своє питання.