Редуктор ЦДН-710-20
Редуктор ЦДН-710-20
Горизонтальний двоступеневий редуктор ЦДН-710-20 — це пристрій для зміни крутного моменту та числа обертів різних механізмів. Використовується в галузі машинобудування. Має циліндричний тип передавання із зачепленням Нововикова.
Редуктор ЦДН-710-20 має низку умов для використання, це:
• робота в постійному режимі, як без зупинки, так і з періодичними паузами,
• обертання валів у будь-якому напрямку з різними типами навантаження,
• експлуатація в кліматичних умовах У, Т, О, УХЛ, згідно 15150,
• максимальна вхідна швидкість не має перевищувати 1500 обертів/хв,
• використання в неагресивному середовищі,
• запиленість довкілля не більш ніж 10 мг/м3.
Корпус виготовлений із чавуну. Має надійну конструкцію. Довговічний і простий у застосуванні. Для безпеки не рекомендоване використання в вибухонебезпечному середовищі.
Купити редуктор цієї моделі можна в нас. Ми гарантуємо якість товару, а також надаємо всі наші товари за ціною від виробника. До кожного пристрою в комплекті йде оригінальний паспорт із позначками ОТК і гарантія на 36 місяців.
Доставка по Україні, у будь-яку точку, будь-яким зручним для Вас способом у найкоротші терміни.
Габаритні та приєднувальні розміри редукторів ЦДН-710-20

| AWT | Awб | A | A1 | B | H | H1 | L | L1 | L2 | L3 | L4 | L5 | |
| i=8…25 | i=28…50 | ||||||||||||
| 710 | 450 | 2010 | 600 | 740 | 1390 | 710 | 2175 | 2160 | 660 | 742 | 660 | 620 | 870 |
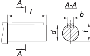
Розміри циліндричного вала редуктора ЦДН-710-20

| Передатне число | вхідний вал | вихідний вал | ||||||
| d | l | b | t | d | l | b | t | |
| 8…25 | 125 | 210 | 32 | 132 | 250 | 410 | 56 | 262 |
Нижче наведені варіанти збирання циліндричного двоступеневого редуктора ЦДН-710-20

Таблиця параметрів редуктора ЦДН-710-20
| Передатне число | Момент кручення на виході, Нм | Швидкість обертання вхідного вала (об/хв) | Навантаження, що діє на вал, Н | Вага редуктора, кг | |
| Вхідний вал | Циліндричний вихідний вал | 4920 | |||
| 20…22.4 | 100000 | 1250 | 8000 | 79000 | |
Редуктор ЦДН-710-20
Відгуків про цей товар ще не було.
Немає відгуків про цей товар, станьте першим, залиште свій відгук.
Немає питань про даний товар, станьте першим і задайте своє питання.