Редуктор ЦДН-710-25
Редуктор ЦДН-710-25
Циліндричний горизонтальний редуктор ЦДН-710-25 застосовується в конструкціях стрічкових транспортерів, які переміщують важкі вантажі. Цей редуктор призначений для зміни крутного моменту та числа обертів різних пристроїв.
У його конструкції застосовано зачеплення Нововикова, яке дає йому деякі переваги. Він працює тихіше, менш чутливий до перекосів зубчастих коліс, а також це зачеплення сприяє збільшенню навантаження.
Двоступеневий редуктор ЦДН-710-25 може працювати цілу добу без зупинки, водночас обертання валів може бути в одному напрямку або реверсному, з різними типами навантаження. Запиленість довкілля не має бути більш ніж 10 мг/м3.
Замовити редуктор ЦДН-710-25 можна в нас на сайті.
Купуючи в нас, Ви отримуєте:
• висока якість товарів,
• ціну від виробника,
• гарантію 36 місяців,
• паспорт з усіма печатками та позначками ОТК.
Доставка проводиться в будь-яку точку України. Варіант доставки будь-який. Терміни найкоротші.
Телефонуйте прямо зараз!
Габаритні та приєднувальні розміри редукторів ЦДН-710-25

| AWT | Awб | A | A1 | B | H | H1 | L | L1 | L2 | L3 | L4 | L5 | |
| i=8…25 | i=28…50 | ||||||||||||
| 710 | 450 | 2010 | 600 | 740 | 1390 | 710 | 2175 | 2160 | 660 | 742 | 660 | 620 | 870 |
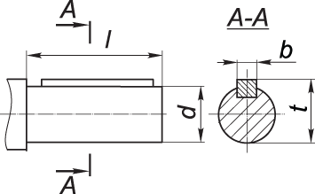
Розміри циліндричного вала редуктора ЦДН-710-25

| Передатне число | вхідний вал | вихідний вал | ||||||
| d | l | b | t | d | l | b | t | |
| 8…25 | 125 | 210 | 32 | 132 | 250 | 410 | 56 | 262 |
Нижче наведені варіанти збирання циліндричного двоступеневого редуктора ЦДН-710-25

Таблиця параметрів редуктора ЦДН-710-25
| Передатне число | Момент кручення на виході, Нм | Швидкість обертання вхідного вала (об/хв) | Навантаження, що діє на вал, Н | Вага редуктора, кг | |
| Вхідний вал | Циліндричний вихідний вал | 4920 | |||
| 25…45 | 100000 | 1500 | 6500 | 79000 | |
Редуктор ЦДН-710-25
Відгуків про цей товар ще не було.
Немає відгуків про цей товар, станьте першим, залиште свій відгук.
Немає питань про даний товар, станьте першим і задайте своє питання.