Редуктор ЦДН-710-31,5
Редуктор ЦДН-710-31,5
Горизонтальний двоступеневий редуктор ЦДН-710-31,5 застосовується в галузі машинобудування, для стрічкових великогабаритних конвеєрів. Має надійну конструкцію та простий у застосуванні. Його завданням є зміна параметрів крутного моменту та числа обертів різних пристроїв. У своїй конструкції використовує зачеплення Нововикова.
Циліндричний редуктор ЦДН-710-31,5 має низку переваг для роботи, це:
робота з різними типами навантаження як у тривалому режимі, так і з тимчасовими паузами,
обертання валів у будь-якому потрібному напрямку або реверсному,
експлуатація в кліматичних умовах У, Т, О, УХЛ, згідно з ГОСТ-15150-69.
Також він має суворі умови для застосування:
запиленість довкілля не має перевищувати 10 мг/м3,
максимальна швидкість обертання вхідного вала 1500 об/хв,
розташування редуктора має бути строго горизонтальним.
Корпус ЦДН-710-31,5 виготовлений із чавуну. Редуктор має дуже високий показник ККД.
Купити редуктор цієї моделі можна в нас. Ми гарантуємо якість товару, а також надаємо всі наші товари за ціною від виробника. До кожного пристрою в комплекті йде оригінальний паспорт із позначками ОТК і гарантія на 36 місяців.
Доставка по Україні, у будь-яку точку, будь-яким зручним для Вас способом у найкоротші терміни.
Габаритні та приєднувальні розміри редукторів ЦДН-710-31,5

| AWT | Awб | A | A1 | B | H | H1 | L | L1 | L2 | L3 | L4 | L5 | |
| i=8 25 | i=28 50 | ||||||||||||
| 710 | 450 | 2010 | 600 | 740 | 1390 | 710 | 2175 | 2160 | 660 | 742 | 660 | 620 | 870 |
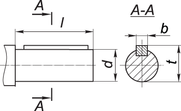
Розміри циліндричного вала редуктора ЦДН-710-31,5

| Передатне число | вхідний вал | вихідний вал | ||||||
| d | l | b | t | d | l | b | t | |
| 28 50 | 100 | 170 | 28 | 106 | 250 | 410 | 56 | 262 |
Нижче наведені варіанти збирання циліндричного двоступеневого редуктора ЦДН-710-31,5

Таблиця параметрів редуктора ЦДН-710-31,5
| Передатне число | Момент кручення на виході, Нм | Швидкість обертання вхідного вала (об/хв) | Навантаження, що діє на вал, Н | Вага редуктора, кг | |
| Вхідний вал | Циліндричний вихідний вал | 4920 | |||
| 25 45 | 100000 | 1500 | 6500 | 79000 | |
Редуктор ЦДН-710-31,5
Відгуків про цей товар ще не було.
Немає відгуків про цей товар, станьте першим, залиште свій відгук.
Немає питань про даний товар, станьте першим і задайте своє питання.