Редуктор ЦДН-710-40
Редуктор ЦДН-710-40
Циліндричний двоступеневий редуктор ЦДН-710-40 це незамінний пристрій для зміни параметрів крутного моменту та числа обертів механізмів, які застосовуються в галузі машинобудування. Загалом це стрічкові конвеєри для транспортування важких і об'ємних вантажів. Редуктор ЦДН-710-40 у своїй конструкції використовує зачеплення Новакова.
Горизонтальний редуктор ЦДН-710-40 може експлуатуватися в різних кліматичних умовах, як-от У, Т, О і УХЛ (ГОСТ-15150). Головне, щоб запиленість довкілля не перевищувала допустиму норму в 10 мг/м3.
Редуктор ЦДН-710-40 є довговічним, надійним і простим у використанні пристроєм. Його корпус виготовлений із чавуну.
Замовити редуктор ЦДН-710-40 можна в нас на сайті.
Купуючи в нас, Ви отримуєте:
висока якість товарів,
ціну від виробника,
гарантію 36 місяців,
паспорт з усіма печатками та позначками ОТК.
Доставка проводиться в будь-яку точку України. Варіант доставки будь-який. Терміни найкоротші.
Телефонуйте прямо зараз!
Габаритні та приєднувальні розміри редукторів ЦДН-710-40

| AWT | Awб | A | A1 | B | H | H1 | L | L1 | L2 | L3 | L4 | L5 | |
| i=8 25 | i=28 50 | ||||||||||||
| 710 | 450 | 2010 | 600 | 740 | 1390 | 710 | 2175 | 2160 | 660 | 742 | 660 | 620 | 870 |
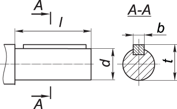
Розміри циліндричного вала редуктора ЦДН-710-40

| Передатне число | вхідний вал | вихідний вал | ||||||
| d | l | b | t | d | l | b | t | |
| 28 50 | 100 | 170 | 28 | 106 | 250 | 410 | 56 | 262 |
Нижче наведені варіанти збирання циліндричного двоступеневого редуктора ЦДН-710-40

Таблиця параметрів редуктора ЦДН-710-40
| Передатне число | Момент кручення на виході, Нм | Швидкість обертання вхідного вала (об/хв) | Навантаження, що діє на вал, Н | Вага редуктора, кг | |
| Вхідний вал | Циліндричний вихідний вал | 4920 | |||
| 25 45 | 100000 | 1500 | 6500 | 79000 | |
Редуктор ЦДН-710-40
Відгуків про цей товар ще не було.
Немає відгуків про цей товар, станьте першим, залиште свій відгук.
Немає питань про даний товар, станьте першим і задайте своє питання.