Редуктор ЦДН-710-50
Редуктор ЦДН-710-50
Редуктор спеціальний ЦДН-710-50 є горизонтальним двоступеневим пристроєм, який застосовує у своїй конструкції циліндричний тип передавання із зачепленням Нововикова.
Цей редуктор застосовують у великогабаритних стрічкових конвеєрах, для зміни крутного моменту та числа обертів електродвигунів. Завдяки зачепленню новинкова, він став тихішим у роботі.
Циліндричний двоступеневий редуктор ЦДН-710-50 має низку умов і переваг для роботи:
• запиленість довкілля не більш ніж 10 мг/м3,
• суто горизонтальне розташування,
• максимальна швидкість на вхідний вал не більш ніж 1500 об/хв,
• виконання робіт у тривалому режимі, з однобічним або реверсним обертанням валів,
• експлуатація в різних кліматичних умовах, згідно з ГОСТом 15150.
Редуктор ЦДН-710-50 не рекомендують використовувати в агресивному середовищі, а для безпеки, середовище має бути невибагливим.
Купити редуктор цієї моделі можна в нас. Ми гарантуємо якість товару, а також надаємо всі наші товари за ціною від виробника. До кожного пристрою в комплекті йде оригінальний паспорт із позначками ОТК і гарантія на 36 місяців.
Доставка по Україні, у будь-яку точку, будь-яким зручним для Вас способом у найкоротші терміни.
Габаритні та приєднувальні розміри редукторів ЦДН-710-50

| AWT | Awб | A | A1 | B | H | H1 | L | L1 | L2 | L3 | L4 | L5 | |
| i=8…25 | i=28…50 | ||||||||||||
| 710 | 450 | 2010 | 600 | 740 | 1390 | 710 | 2175 | 2160 | 660 | 742 | 660 | 620 | 870 |
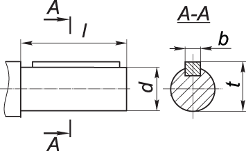
Розміри циліндричного вала редуктора ЦДН-710-50

| Передатне число | вхідний вал | вихідний вал | ||||||
| d | l | b | t | d | l | b | t | |
| 28…50 | 100 | 170 | 28 | 106 | 250 | 410 | 56 | 262 |
Нижче наведені варіанти збирання циліндричного двоступеневого редуктора ЦДН-710-50

Таблиця параметрів редуктора ЦДН-710-50
| Передатне число | Момент кручення на виході, Нм | Швидкість обертання вхідного вала (об/хв) | Навантаження, що діє на вал, Н | Вага редуктора, кг | |
| Вхідний вал | Циліндричний вихідний вал | 4920 | |||
| 50 | 100000 | 1500 | 5800 | 79000 | |
Редуктор ЦДН-710-50
Відгуків про цей товар ще не було.
Немає відгуків про цей товар, станьте першим, залиште свій відгук.
Немає питань про даний товар, станьте першим і задайте своє питання.