Редуктор ЦТНД-315-100
Циліндричний редуктор ЦТНД-315-100
Циліндричний редуктор ЦТНД-315-100 – це двоступінчастий механізм із застосуванням зачеплення Новікова, який розміщений у чавунному корпусі. Його завданням є зміна характеристик обертання приводів, що застосовуються у шахтному устаткуванні.
Редуктор ЦТНД-315-100 виконаний з міжосьовою відстанню, що дорівнює 315 мм і передавальним числом 100i. Працювати може у постійному та повторно-короткочасному режимі. Дуже надійний, а при правильній експлуатації та довговічний.
Компанія виробник «Промпривод» пропонує Вам купити редуктор ЦТНД-315-100 за найвигіднішою ціною. Ми виготовляємо лише якісний товар, що підтверджується гарантією на 12 місяців.
До кожного редуктора додається оригінальний паспорт. Зателефонувавши за вказаним на сайті номером, наші фахівці нададуть Вам кваліфіковану допомогу та допоможуть підібрати потрібний редуктор.
Наша компанія здійснює доставку по всій території України в максимально короткі терміни, будь-яким зручним для Вас способом.
Технічні характеристики редуктора ЦТНД-315-100
| Найменування технічних характеристик | Типорозмір редуктора | |
| ЦТНД-315 | ||
| Передавальні числа | 100 | |
| Допустиме радіально консольне навантаження на тихохідному валу, Н | 24000 | |
| Номінальний момент, що крутить, на тихохідному валу, Н.м. | 8300 | |
| ККД | 0,96 | |
| Маса, кг | 485 | |
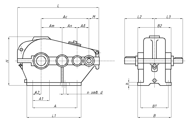
Схема габаритних і приєднувальних розмірів редуктора ЦТНД-315-100

| Редуктор | Aw т | Aw з | A | A 1 | B | H | H 1 | L | L 1 | L 2 | L 3 | L 4 | d | п |
| ЦТНД-315 | 315 | 640 | 560 | 280 | 350 | 640 | 335 | 1110 | 680 | 130 | 243 | 365 | 26 | 6 |
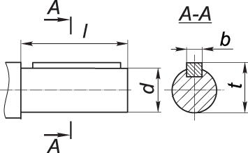
Приєднувальні розміри циліндричних валів редуктора ЦТНД-315-100

| швидкохідний вал | ||||
| Редуктор | d | l | b | t |
| ЦТНД-315 | 32 | 58 | 10 | 35 |
| тихохідний вал | ||||
| Редуктор | d | l | b | t |
| ЦТНД-315 | 110 | 165 | 28 | 116 |
Варіанти складання редуктора ЦТНД-315-100

Схема умовних позначень редуктора ЦТНД-315-100

Редуктор ЦТНД-315-100
Відгуків про цей товар ще не було.
Немає відгуків про цей товар, станьте першим, залиште свій відгук.
Немає питань про даний товар, станьте першим і задайте своє питання.