Редуктор ЦТНД-315-160
Циліндричний редуктор ЦТНД-315-160
Редуктор ЦТНД-315-160 є двоступінчастим циліндричним пристроєм, який відносять до категорії горизонтальних. Він широко застосовується в шахтному устаткуванні з метою зміни числа оборотів і моменту приводів, що крутить.
Корпус редуктора ЦТНД-315-160 відливають із чавуну, але за бажанням замовника, він може бути виконаний і з іншого відповідного металу.
У механізмі цього редуктора використовується зчеплення Новікова. Працювати він може у тривалому режимі без зупинок, а також у повторно короткочасному режимі. Загальна вага редуктора становить 485 кг.
Компанія виробник «Промпривод» пропонує Вам купити редуктор ЦТНД-315-160 за найвигіднішою ціною. Ми виготовляємо лише якісний товар, що підтверджується гарантією на 12 місяців.
До кожного редуктора додається оригінальний паспорт. Зателефонувавши за вказаним на сайті номером, наші фахівці нададуть Вам кваліфіковану допомогу та допоможуть підібрати потрібний редуктор.
Наша компанія здійснює доставку по всій території України в максимально короткі терміни, будь-яким зручним для Вас способом.
Технічні характеристики редуктора ЦТНД-315-160
| Найменування технічних характеристик | Типорозмір редуктора | |
| ЦТНД-315 | ||
| Передавальні числа | 63, 80, 100, 125, 160 | |
| Допустиме радіально консольне навантаження на тихохідному валу, Н | 24000 | |
| Номінальний момент, що крутить, на тихохідному валу, Н.м. | 8300 | |
| ККД | 0,96 | |
| Маса, кг | 485 | |
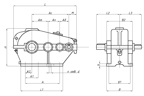
Схема габаритних і приєднувальних розмірів редуктора ЦТНД-315-160

| Редуктор | Aw т | Aw з | A | A 1 | B | H | H 1 | L | L 1 | L 2 | L 3 | L 4 | d | п |
| ЦТНД-315 | 315 | 640 | 560 | 280 | 350 | 640 | 335 | 1110 | 680 | 130 | 243 | 365 | 26 | 6 |
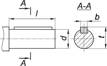
Приєднувальні розміри циліндричних валів редуктора ЦТНД-315-160

| швидкохідний вал | ||||
| Редуктор | d | l | b | t |
| ЦТНД-315 | 32 | 58 | 10 | 35 |
| тихохідний вал | ||||
| Редуктор | d | l | b | t |
| ЦТНД-315 | 110 | 165 | 28 | 116 |
Варіанти складання редуктора ЦТНД-315-160

Схема умовних позначень редуктора ЦТНД-315-160

Редуктор ЦТНД-315-160
Відгуків про цей товар ще не було.
Немає відгуків про цей товар, станьте першим, залиште свій відгук.
Немає питань про даний товар, станьте першим і задайте своє питання.