Редуктор ЦТНД-400-160
Циліндричний редуктор ЦТНД-400-160
Редуктор ЦТНД-400-160 виконується в чавунному корпусі з міжосьовою відстанню 400 мм та передавальним числом 160i. Він є двоступінчастим із застосуванням зачеплення Новікова, і відноситься до категорії горизонтальних редукторів.
Сфера його застосування – це вугільна та гірничодобувна промисловість. ЦТНД-400-160 встановлюють у парі з приводом зміни параметрів обертання другого. Вага складає 911 кг.
Циліндричний редуктор завдяки своїй зносостійкості, дуже надійний та довговічний. Показник ККД у нього дорівнює майже 100%. Застосовується у багатьох кліматичних умовах, але за умови запиленості не більше 10 мг/м3 та неагресивного середовища.
Компанія виробник «Промпривод» пропонує Вам купити редуктор ЦТНД-400-160 за найвигіднішою ціною. Ми виготовляємо лише якісний товар, що підтверджується гарантією на 12 місяців. До кожного редуктора додається оригінальний паспорт. Зателефонувавши за вказаним на сайті номером, наші фахівці нададуть Вам кваліфіковану допомогу та допоможуть підібрати потрібний редуктор.
Наша компанія здійснює доставку по всій території України в максимально короткі терміни, будь-яким зручним для Вас способом.
Технічні характеристики редуктора ЦТНД-400-160
| Найменування технічних характеристик | Типорозмір редуктора | |
| ЦТНД-400 | ||
| Передавальні числа | 160 | |
| Допустиме радіально консольне навантаження на тихохідному валу, Н | 32600 | |
| Номінальний момент, що крутить, на тихохідному валу, Н.м. | 17000 | |
| ККД | 0,96 | |
| Маса, кг | 911 | |
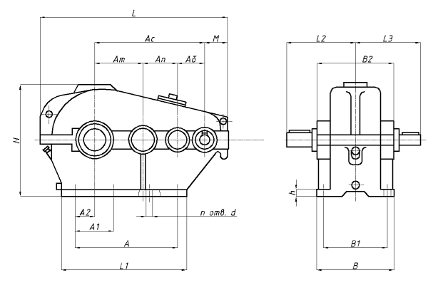
Схема габаритних і приєднувальних розмірів редуктора ЦТНД-400-160

| Редуктор | Aw т | Aw з | A | A 1 | B | H | H 1 | L | L 1 | L 2 | L 3 | L 4 | d | п |
| ЦТНД-400 | 400 | 810 | 720 | 340 | 430 | 820 | 425 | 1385 | 860 | 170 | 307 | 455 | 33 | 8 |
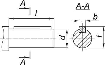
Приєднувальні розміри циліндричних валів редуктора ЦТНД-400-160

| швидкохідний вал | ||||
| Редуктор | d | l | b | t |
| ЦТНД-400 | 40 | 82 | 12 | 43 |
| тихохідний вал | ||||
| Редуктор | d | l | b | t |
| ЦТНД-400 | 140 | 200 | 36 | 148 |
Варіанти складання редуктора ЦТНД-400-160

Схема умовних позначень редуктора ЦТНД-500-160

Редуктор ЦТНД-400-160
Відгуків про цей товар ще не було.
Немає відгуків про цей товар, станьте першим, залиште свій відгук.
Немає питань про даний товар, станьте першим і задайте своє питання.