Редуктор ЦТНД-500-100
Циліндричний редуктор ЦТНД-500-100
Редуктор ЦТНД-500-100 із зачепленням Новікова застосовують у шахтному устаткуванні. Його завданням є зменшення кількості обертів і збільшення моменту приводу, що крутить. У даного редуктора міжосьова відстань дорівнює 500 мм, а передавальне число 100 i.
Циліндричний агрегат ЦТНД-500-100 відноситься до категорії горизонтальних редукторів. Він складається з чавунного корпусу та двоступінчастого механізму, який дуже надійний та довговічний.
Застосовується перетворювач у багатьох кліматичних умовах із запиленістю не більше 10 мг/м3.
Не рекомендується використовувати його в агресивному середовищі, оскільки це сприяє зменшенню терміну експлуатації пристрою.
Компанія виробник «Промпривод» пропонує Вам купити редуктор ЦТНД-500-100 за найвигіднішою ціною. Ми виготовляємо лише якісний товар, що підтверджується гарантією на 12 місяців. До кожного редуктора додається оригінальний паспорт. Зателефонувавши за вказаним на сайті номером, наші фахівці нададуть Вам кваліфіковану допомогу та допоможуть підібрати потрібний редуктор.
Наша компанія здійснює доставку по всій території України в максимально короткі терміни, будь-яким зручним для Вас способом.
Технічні характеристики редуктора ЦТНД-500-100
| Найменування технічних характеристик | Типорозмір редуктора | |
| ЦТНД-500 | ||
| Передавальні числа | 100 | |
| Допустиме радіально консольне навантаження на тихохідному валу, Н | 42200 | |
| Номінальний момент, що крутить, на тихохідному валу, Н.м. | 28500 | |
| ККД | 0,96 | |
| Маса, кг | 1448 | |
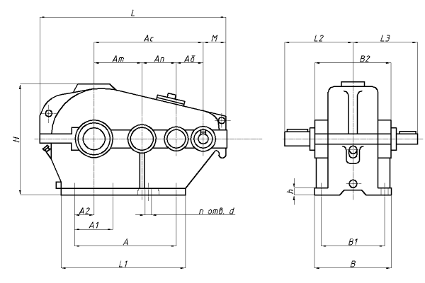
Схема габаритних і приєднувальних розмірів редуктора ЦТНД-500-100

| Редуктор | Aw т | Aw з | A | A 1 | B | H | H 1 | L | L 1 | L 2 | L 3 | L 4 | d | н |
| ЦТНД-500 | 500 | 1015 | 915 | 400 | 490 | 985 | 500 | 1720 | 1080 | 215 | 340 | 517 | 33 | 8 |
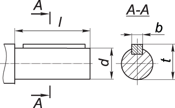
Приєднувальні розміри циліндричних валів редуктора ЦТНД-500-100

| швидкохідний вал | ||||
| Редуктор | d | l | b | t |
| ЦТНД-500 | 50 | 82 | 14 | 53,5 |
| тихохідний вал | ||||
| Редуктор | d | l | b | t |
| ЦТНД-500 | 160 | 240 | 40 | 169 |
Варіанти складання редуктора ЦТНД-500-100

Схема умовних позначень редуктора ЦТНД-500-100

Редуктор ЦТНД-500-100
Відгуків про цей товар ще не було.
Немає відгуків про цей товар, станьте першим, залиште свій відгук.
Немає питань про даний товар, станьте першим і задайте своє питання.