Редуктор ЦТНД-500-160
Циліндричний редуктор ЦТНД-500-160
Циліндричний редуктор ЦТНД-500-160 із зачепленням Новікова через свою підвищену зносостійкість, є надійним та довговічним пристроєм. Він використовується в гірничодобувній галузі з метою зміни показників обертання різних приводів. Працює однаково добре як тривалий час без зупинок, так і в повторно-короткочасному режимі.
Вали перетворювача ЦТНД-500-160 мають можливість обертатися у будь-якому напрямку за різних типів навантаження. Він належить до категорії горизонтальних редукторів. Показник його ККД дорівнює майже 100%. Маса складає 1448 кг.
Компанія виробник «Промпривод» пропонує Вам купити редуктор ЦТНД-500-160 за найвигіднішою ціною. Ми виготовляємо лише якісний товар, що підтверджується гарантією на 12 місяців. До кожного редуктора додається оригінальний паспорт. Зателефонувавши за вказаним на сайті номером, наші фахівці нададуть Вам кваліфіковану допомогу та допоможуть підібрати потрібний редуктор.
Наша компанія здійснює доставку по всій території України в максимально короткі терміни, будь-яким зручним для Вас способом.
Технічні характеристики редуктора ЦТНД-500-160
| Найменування технічних характеристик | Типорозмір редуктора | |
| ЦТНД-500 | ||
| Передавальні числа | 160 | |
| Допустиме радіально консольне навантаження на тихохідному валу, Н | 42200 | |
| Номінальний момент, що крутить, на тихохідному валу, Н.м. | 28500 | |
| ККД | 0,96 | |
| Маса, кг | 1448 | |
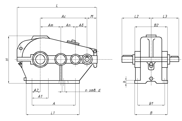
Схема габаритних і приєднувальних розмірів редуктора ЦТНД-500-160

| Редуктор | Aw т | Aw з | A | A 1 | B | H | H 1 | L | L 1 | L 2 | L 3 | L 4 | d | п |
| ЦТНД-500 | 500 | 1015 | 915 | 400 | 490 | 985 | 500 | 1720 | 1080 | 215 | 340 | 517 | 33 | 8 |
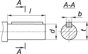
Приєднувальні розміри циліндричних валів редуктора ЦТНД-500-160

| швидкохідний вал | ||||
| Редуктор | d | l | b | t |
| ЦТНД-500 | 50 | 82 | 14 | 53,5 |
| тихохідний вал | ||||
| Редуктор | d | l | b | t |
| ЦТНД-500 | 160 | 240 | 40 | 169 |
Варіанти складання редуктора ЦТНД-500-160

Схема умовних позначень редуктора ЦТНД-500-160

Редуктор ЦТНД-500-160
Відгуків про цей товар ще не було.
Немає відгуків про цей товар, станьте першим, залиште свій відгук.
Немає питань про даний товар, станьте першим і задайте своє питання.