Редуктор циліндричний 1Ц2У-100
Редуктор типу 1Ц2У-100
Пристрої, які застосовують для перетворення показників крутного моменту та частоти обертання різноманітних приводів називають редукторами. Редуктор 1Ц2У -100 є яскравим прикладом цих перетворювачів. Оскільки він має загальнопромислове призначення, зона застосування такого пристрою дуже велика. Головна особливість агрегату полягає в паралельному розташуванні осей і циліндричному типі передавання.
Ці перетворювачі розраховані на роботу в режимі 24 години з постійним або змінним навантаженням. Допускається можливість періодичних зупинок. Вали редуктора можуть обертатися в різному напрямку, що дає змогу використовувати пристрої з реверсивним навантаженням. Для тривалої та стабільної роботи агрегату швидкість обертання вхідного вала не має перевищувати 1800 обертів за хвилину.
Купити редуктор 1Ц2У за ціною виробника ви можете в нас на сайті прямо зараз. Для цього вам потрібно тільки зателефонувати за номером, зазначеним на сайті, або залишити заявку on-line. Співпрацюючи з нами, ви отримуєте якісні пристрої, які слугуватимуть вам багато років. Для гуртових покупців діє система лояльних знижок. З кожним редуктором йде унікальний паспорт і гарантія на 12 місяців. Ми оперативно обробляємо замовлення та відправляємо перетворювачі всією Україною.
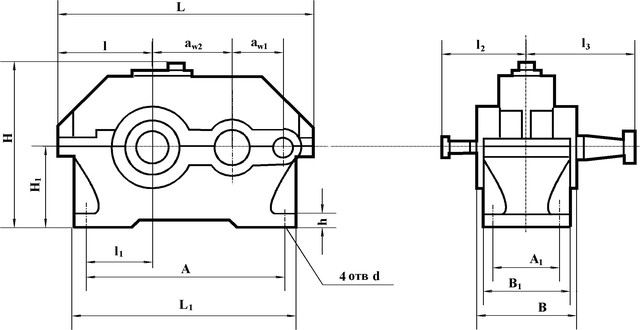
Схема габаритних і приєднувальних розмірів редуктора 1Ц2У-100

| Типорозмір | wт | wб | A | B | 1 | H | 1 | h | L | 1 | 2 | 3 | 4 | 5 | d |
| 1Ц2У-100 | 100 | 80 | 290 | 145 | 109 | 225 | 112 | 20 | 386 | 325 | 85 | 132 | 136 | 165 | 15 |
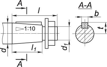
Приєднувальні розміри конічних валів редуктора 1Ц2У-100

| Типорозмір | швидкохідний | тихохідний | ||||||||||
| d | 1 | l | 1 | b | t | d | 1 | l | 1 | b | t | |
| 1Ц2У-100 | 20 | М12х1,25 | 50 | 36 | 4 | 10,6 | 35 | М20х1,5 | 80 | 58 | 6 | 18,55 |
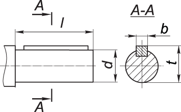
Приєднувальні розміри циліндричних валів редуктора 1Ц2У-100

| Типорозмір | швидкохідний | тихохідний | ||||||
| d | l | b | t | d | l | b | t | |
| 1Ц2У-100 | 18k6 | 36 | 6 | 20,5 | 30m6 | 58 | 8 | 33 |
Технічні характеристики редуктора 1Ц2У-100
| Найменування технічних характеристик | Ед. изм. | Типорозмір | |
| 1Ц2У-100 | |||
| Передатні числа | 8; 10; 12,5; 16; 20; 25; 31,5; 40 | ||
| Допускна радіальна консольне навантаження | на швидкохідному валу | Н | 500 |
| на тихенькохідному валу | 4500 | ||
| Номінальний крутний момент на тихенькохідному валу | Н.м | 315 | |
| ККД | % | 0,97 | |
| Маса | кг | 37 | |
Варіанти складання редукторів 1Ц2У

Редуктор цилиндрический 1Ц2У-100
Відгуків про цей товар ще не було.
Немає відгуків про цей товар, станьте першим, залиште свій відгук.
Немає питань про даний товар, станьте першим і задайте своє питання.