Редуктор циліндричний 1Ц2У-125
Редуктор типу 1Ц2У-125
Редуктор 1Ц2У -125 відноситься до групи циліндричних перетворювачів з горизонтальним виконанням і паралельним розташуванням осей. Встановлюють дані агрегати в приводи різних машин і механізмів для зміни показників крутного моменту і числа обертів.
Даний пристрій працює з періодичними зупинками і круглі добу з постійними або змінними навантаженнями. Для стабільної роботи і збільшення експлуатаційного строку необхідно дотримуватись деяких умов:
- Запиленість повітря навколишнього середовища не повинна перевищувати 10 мг/м 3.
- Максимальна швидкість вхідного вала не більше 1800 оборотів в хвилину.
- Редуктор призначений для роботи в неагресивною і не вибухонебезпечному середовищі.
- Перетворювачі дуже надійні і користуються великою популярністю в різних промислових галузях.
Купити редуктор 1Ц2У за ціною виробника ви можете у нас на сайті просто зараз. Для цього вам потрібно лише подзвонити по телефону, вказаному на сайті, або залишити заявку on-line. Співпрацюючи з нами, ви отримуєте якісні пристрої, які прослужать вам багато років. Для оптових покупців діє система лояльних знижок. З кожним редуктором йде унікальний паспорт та гарантія на 12 місяців. Ми оперативно обробляємо замовлення й відправляємо перетворювачі по всій Україні.
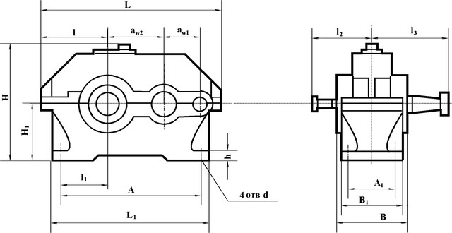
Схема габаритних і приєднувальних розмірів редуктора 1Ц2У-125

| Типорозмір | wт | wб | A | B | 1 | H | 1 | h | L | 1 | 2 | 3 | 4 | 5 | d |
| 1Ц2У-125 | 125 | 80 | 335 | 165 | 125 | 270 | 132 | 22 | 440 | 375 | 106 | 155 | 145 | 206 | 19 |
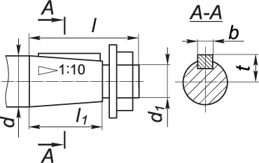
Приєднувальні розміри конічних валів редуктора 1Ц2У-125

| Типорозмір | швидкохідний | тихохідний | ||||||||||
| d | 1 | l | 1 | b | t | d | 1 | l | 1 | b | t | |
| 1Ц2У-125 | 20 | М12х1,25 | 50 | 36 | 4 | 10,6 | 45 | М30х2,0 | 110 | 82 | 12 | 23,45 |
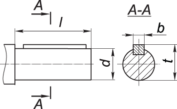
Приєднувальні розміри циліндричних валів редуктора 1Ц2У-125

| Типорозмір | швидкохідний | тихохідний | ||||||
| d | l | b | t | d | l | b | t | |
| 1Ц2У-125 | 18k6 | 36 | 6 | 20,5 | 40m6 | 82 | 12 | 43 |
Технічні характеристики редуктора 1Ц2У-125
| Найменування технічних характеристик | Од. зм. | Типорозмір | |
| 1Ц2У-125 | |||
| Передавальні числа | 8; 10; 12,5; 16; 20; 25; 31,5; 40 | ||
| Допускається радіальна консольні навантаження | на швидкохідному валу | Н | 750 |
| на тихохідному валу | 6300 | ||
| Номінальний обертальний момент на тихохідному валу | Н.м | 630 | |
| ККД | % | 0,97 | |
| Маса | кг | 55 | |
Варіанти складання редукторів 1Ц2У

Редуктор цилиндрический 1Ц2У-125
Відгуків про цей товар ще не було.
Немає відгуків про цей товар, станьте першим, залиште свій відгук.
Немає питань про даний товар, станьте першим і задайте своє питання.